EasyManua.ls Logo

Dimplex LA 20AS - Last; Load; Charge la 20 AS

Dimplex LA 20AS
Print Icon
To Next Page IconTo Next Page
To Next Page IconTo Next Page
To Previous Page IconTo Previous Page
To Previous Page IconTo Previous Page
Loading...
A-VIII
Anhang · Appendix · Annexes
3.2
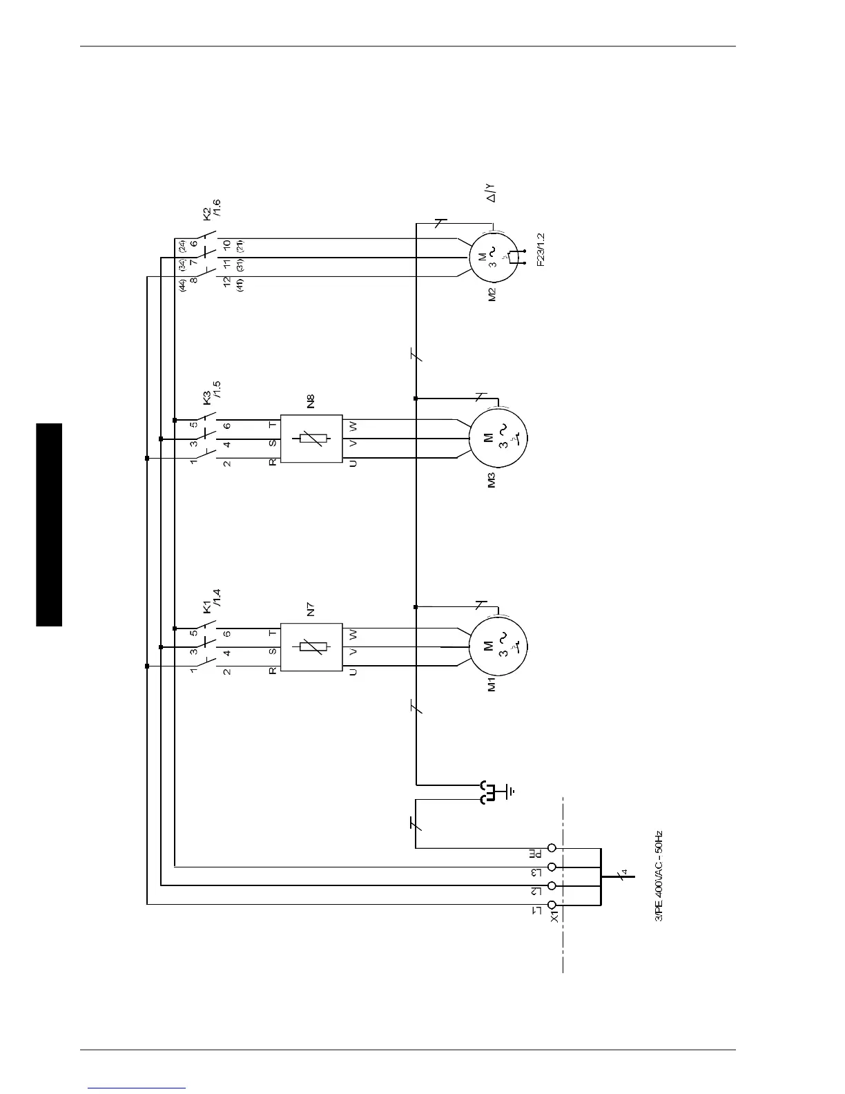
3.2 Last / Load / Charge LA 20AS
1HW]0DLQV5pVHDX
3(9HUWHLOHU
3(GLVWULEXWRU
'LVWULEXWHXU3(
8PLQ
/LHIHU]XVWDQG<
$VGHOLYHUHGVWDWH<
(WDWjODOLYUDLVRQ<

Table of Contents

Other manuals for Dimplex LA 20AS

Related product manuals