EasyManua.ls Logo

Dimplex LA 20AS - Anschlussplan; Circuit Diagram; Schéma Électrique la 20 AS

Dimplex LA 20AS
Print Icon
To Next Page IconTo Next Page
To Next Page IconTo Next Page
To Previous Page IconTo Previous Page
To Previous Page IconTo Previous Page
Loading...
www.dimplex.de A-IX
Anhang · Appendix · Annexes
3.3
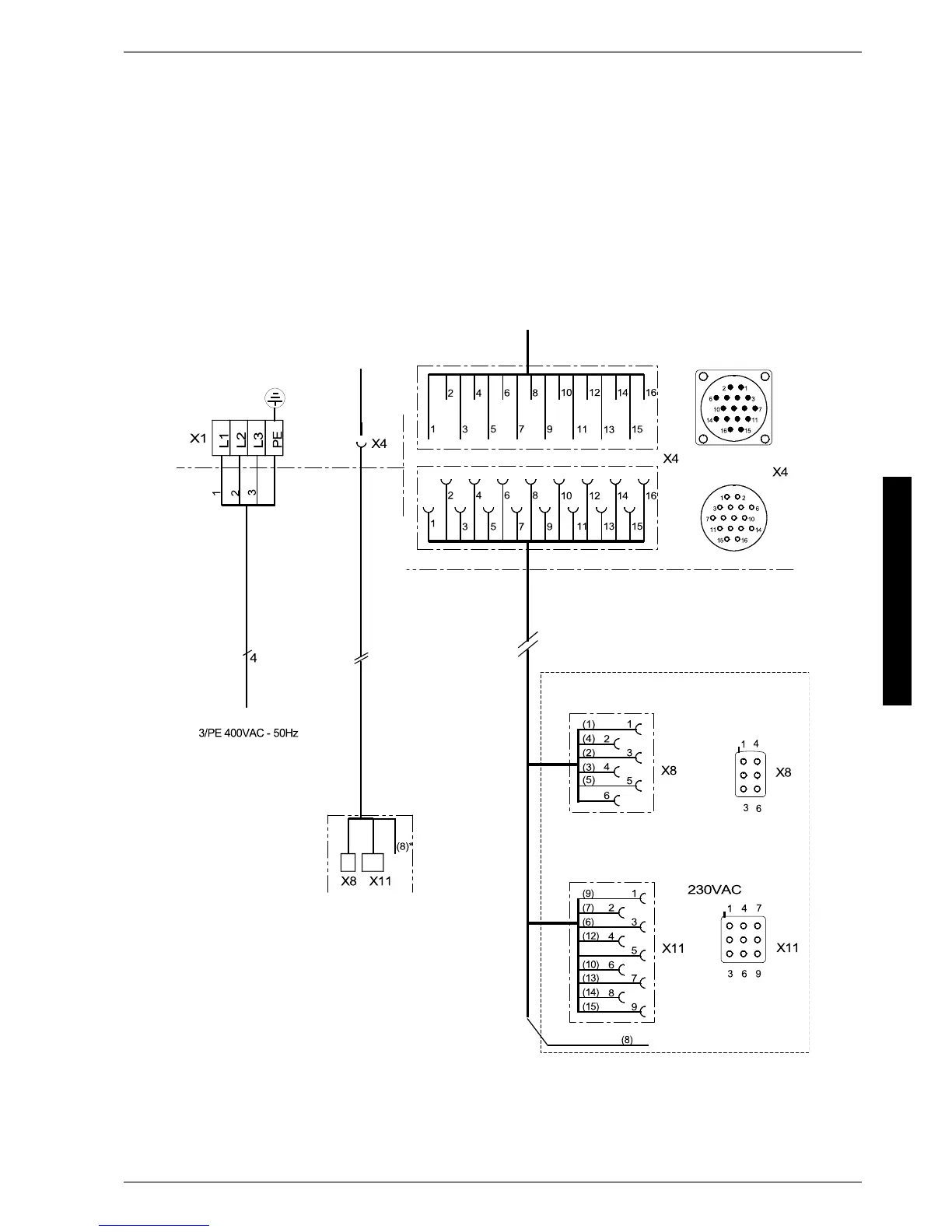
3.3 Anschlussplan / Circuit Diagram / Schéma électrique LA 20AS
.OHPPHQSODQXQG%HOHJXQJGHU6WHFNYHUELQGHU
LP/XIW:DVVHU$XHQJHUlW/$$6
7HUPLQDOFRQQHFWLRQGLDJUDPDQGFRQQHFWRUDVVLJQPHQW
LQWKH/$$6DLUWRZDWHURXWGRRUXQLW
6FKpPDGHVERUQHVGHFRQQH[LRQHWDIIHFWDWLRQGHVFRQQHFWHXUV
GDQVO¶DSSDUHLODLUHDXH[WpULHXU/$$6
1HW]Â0DLQVÂ5pVHDX
JHJQ
\HJQ
MDYH
6WHXHUOHLWXQJÂ&RQWUROOHDGÂ/LJQHGHFRPPDQGH
6WHXHUOHLWXQJÂ&RQWUROOHDGÂ/LJQHGHFRPPDQGH
:lUPHSXPSHQUHJOHU1
+HDWSXPSFRQWUROOHU1
5pJXODWHXUGHSRPSHDFKDOHXU1
:lUPHSXPSHQUHJOHU
+HDWSXPSFRQWUROOHU
5pJXODWHXUGHSRPSHDFKDOHXU
$GHU[[XQG3LQQXPPHUQ
:LUH[[DQGSLQQXPEHUV
1XPpURVGHEULQV[[HWGHEURFKHV
$GHU[[XQG3LQQXPPHUQ
:LUH[[DQGSLQQXPEHUV
1XPpURVGHEULQV[[HWGHEURFKHV
$GHUXQG3LQQXPPHUQ
:LUHDQGSLQQXPEHUV
1XPpURVGHEULQVHWGHEURFKHV
9RUVLFKW.OHLQVSDQQXQJ
&DXWLRQ([WUDORZYROWDJH
$WWHQWLRQ7HQVLRQIDLEOH
$QVFKOXVVOHLWXQJÂ&RQQHFWLQJOHDGÂ
/LJQHGHUDFFRUGHPHQW
/DVWÂ/RDGÂ&KDUJH

Table of Contents

Other manuals for Dimplex LA 20AS

Related product manuals