EasyManua.ls Logo

DINGLI JCPT2223RT - Schematic

DINGLI JCPT2223RT
74 pages
Print Icon
To Next Page IconTo Next Page
To Next Page IconTo Next Page
To Previous Page IconTo Previous Page
To Previous Page IconTo Previous Page
Loading...
OPERATORS MANUAL with Maintenance Information
Schematic
65
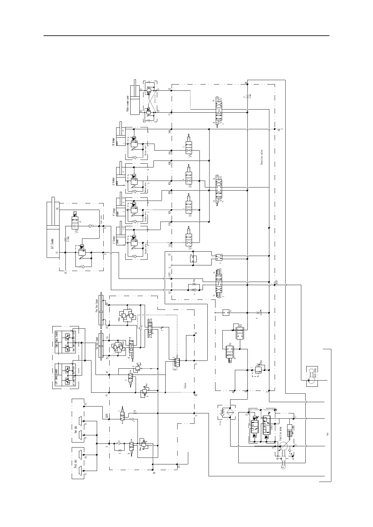
Hydraulic Schematic - Function model

Related product manuals