EasyManua.ls Logo

dirna Bergstrom Bycool Compact TRP Compact - English Wiring Diagrams; EURO 5 Model Wiring Diagram (English)

dirna Bergstrom Bycool Compact TRP Compact
Print Icon
To Next Page IconTo Next Page
To Next Page IconTo Next Page
To Previous Page IconTo Previous Page
To Previous Page IconTo Previous Page
Loading...
COMPACT
Air conditioning for vehicles
12
EN
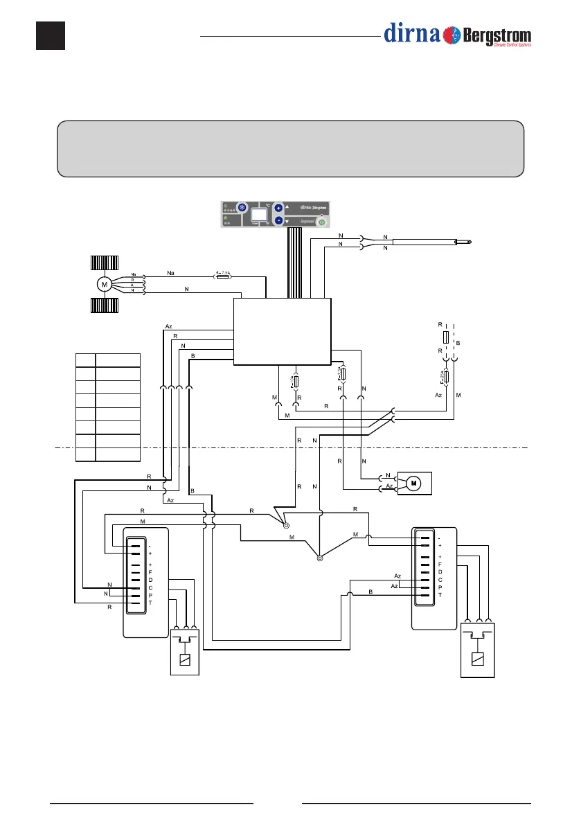
ALL EURO 5 MODELS - Wiring Diagram
IMPORTANT NOTE!
Take care not to invert polarities when connecting the unit. If this were to happen, the control plate
will not come on, the unit will not work.
Az Blue
N Black
R Red
V Green
B White
A Yellow
Na Orange
M Brown
Return
air sensor
Electronic
control
Centrifugal
blower
Condenser
fan
Compressor
electronic
module
Compressor
electronic
module
40A Fuse
(in original fuse box)
1 Compressor
2 Compressor
2 Amp.
PWM.
NTC 15KΩ a 25º
Comsuption 30 mAmp.
4 Amp.

Related product manuals