EasyManua.ls Logo

dirna Bergstrom Bycool Compact TRP Compact - Avvertenza Importante

dirna Bergstrom Bycool Compact TRP Compact
Print Icon
To Next Page IconTo Next Page
To Next Page IconTo Next Page
To Previous Page IconTo Previous Page
To Previous Page IconTo Previous Page
Loading...
ES
COMPACT
Air conditioning for vehicles
30
IT
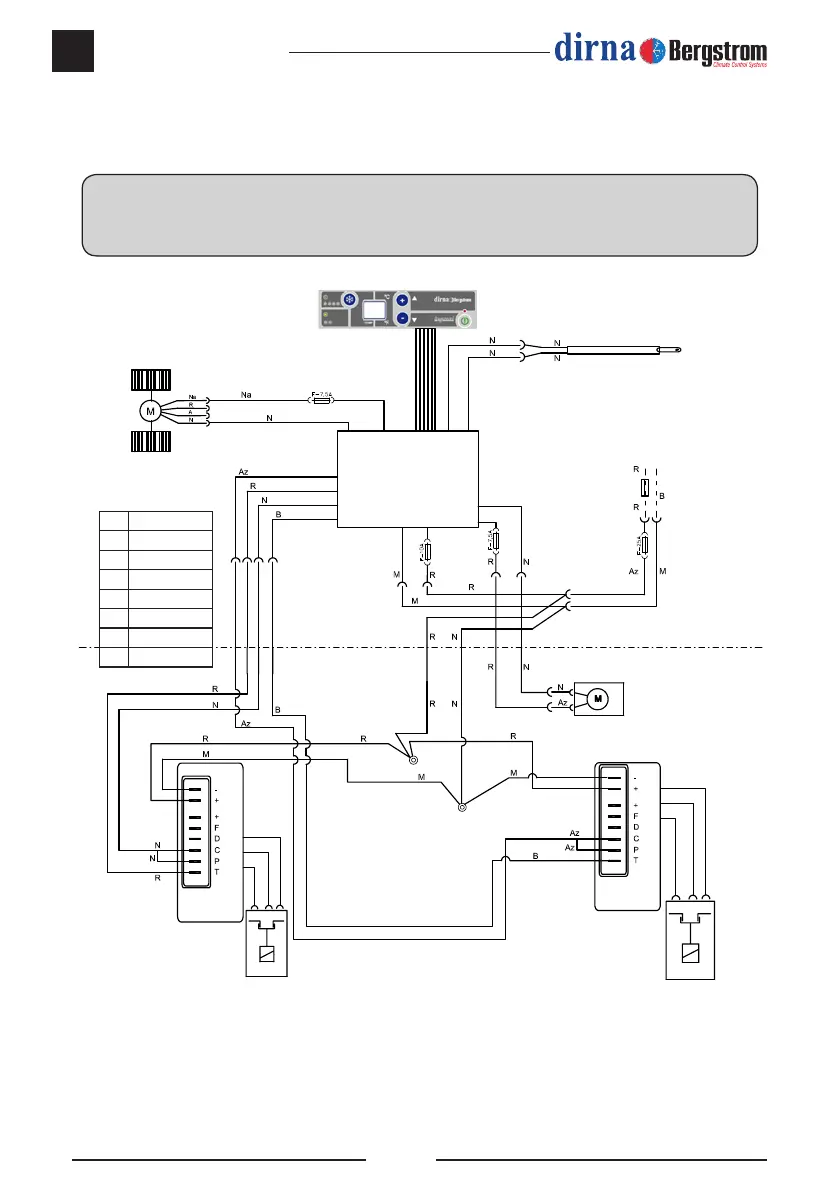
TUTTI I MODELLI EURO 5 - Schema elettrico
AVVERTENZA IMPORTANTE!
Fare attenzione a non invertire le polarità quando si esegue il collegamento dell’impianto. Altrimenti, il
quadro comandi non si accenderebbe, l’impianto non funzionerebbe.
Az Blu
N Nero
R Rosso
V Verde
B Bianco
A Giallo
Na Arancione
M Marrone
Sensore
aria ritorno
Controllo
elettronico
Ventilatore
centrifugo
Ventilatore del
condensatore
Controllo
elettronico
compressore
Controllo
elettronico
compressore
Fusibile 40 A
(nella scatola dei
fusibili originale)
1 Compressore
2 Compressore
2 Amp.
PWM.
NTC 15KΩ a 25º
Consumo elettrico 30 mAmp.
4 Amp.

Related product manuals