EasyManua.ls Logo

dirna Bergstrom Bycool Compact TRP Compact - Spanish Wiring Diagrams; EURO 5 Model Wiring Diagram (Spanish)

dirna Bergstrom Bycool Compact TRP Compact
Print Icon
To Next Page IconTo Next Page
To Next Page IconTo Next Page
To Previous Page IconTo Previous Page
To Previous Page IconTo Previous Page
Loading...
ES
COMPACT
Air conditioning for vehicles
6
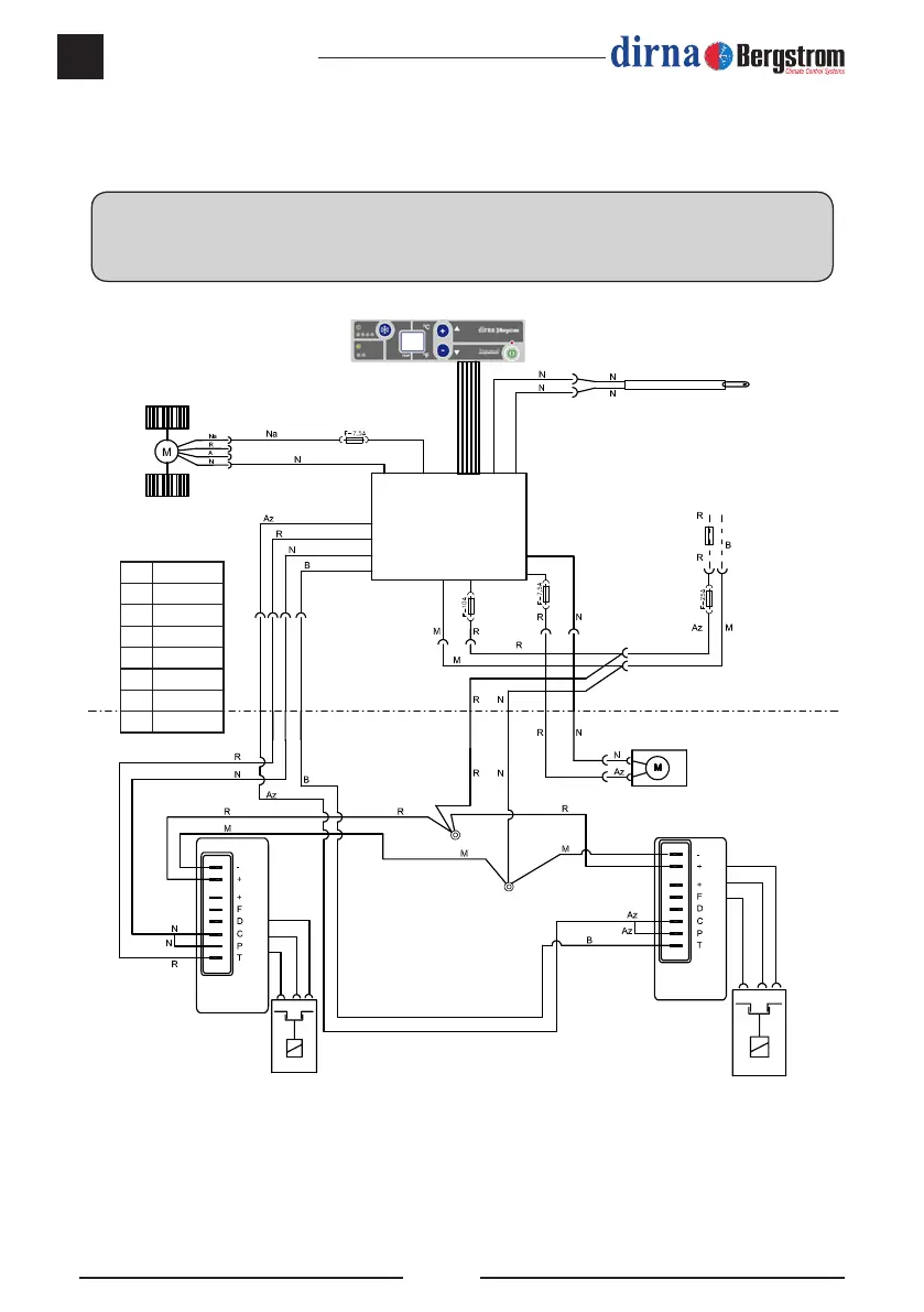
TODOS LOS MODELOS EURO 5 - Esquema eléctrico
¡AVISO IMPORTANTE!
Precaución de no invertir las polaridades al conectar la alimentación en el equipo el display no se
enciende y el equipo no funciona.
Az Azul
N Negro
R Rojo
V Verde
B Blanco
A Amarillo
Na Naranja
M Marrón
Sensor
aire de retorno
Control
electrónico
Soplador
centrífugo
Ventilador del
condensador
Módulo
electrónico
1º Compresor
Módulo
electrónico
2º Compresor
Fusible 40A
(en caja de fusibles
original)
1 Compresor
2 Compresor
2 Amp.
PWM.
NTC 15KΩ a 25º
Consumo 30 mAmp.
4 Amp.

Related product manuals