EasyManua.ls Logo

dirna Bergstrom Bycool Compact TRP Compact - Avis Important

dirna Bergstrom Bycool Compact TRP Compact
Print Icon
To Next Page IconTo Next Page
To Next Page IconTo Next Page
To Previous Page IconTo Previous Page
To Previous Page IconTo Previous Page
Loading...
ES
COMPACT
Air conditioning for vehicles
18
FR
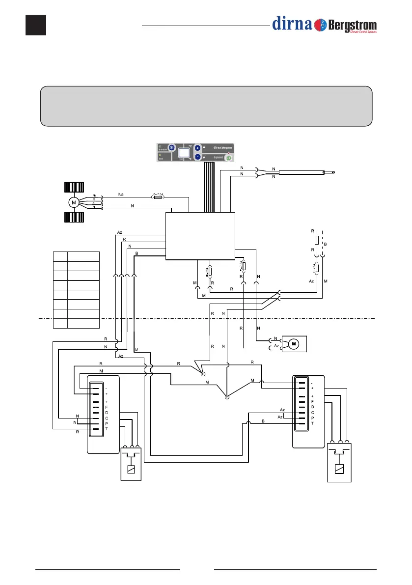
TOUS LES MODÈLES EURO 5 – Schéma électrique
AVIS IMPORTANT !
Précaution: ne pas inverser les polarités lors du branchement de l’appareil. Dans ce cas, la plaque
de commandes ne s’allume pas et l’appareil ne fonctionne pas.
Az Bleu
N Noir
R Rouge
V Vert
B Blanc
A Jaune
Na Orange
M Marron
Capteur
air de retour
Contrôle
électronique
Soufeur
centrifuge
Ventilateur du
condenseur
Commande
électronique
compresseur
Commande
électronique
compresseur
40A fusionner
(dans boîte à fusibles
d’origine)
1 Compresseur
2 Compresseur
2 Amp.
PWM.
NTC 15KΩ a 25º
Consommation
électrique30 mAmp.
4 Amp.

Related product manuals