EasyManua.ls Logo

dirna Bergstrom Bycool Compact TRP Compact - Page 19

dirna Bergstrom Bycool Compact TRP Compact
Print Icon
To Next Page IconTo Next Page
To Next Page IconTo Next Page
To Previous Page IconTo Previous Page
To Previous Page IconTo Previous Page
Loading...
COMPACT
Air conditioning for vehicles
19
FR
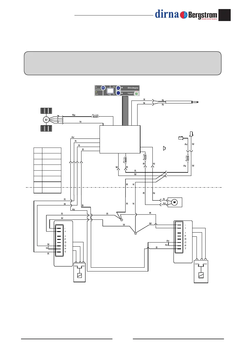
MODÈLES EURO 6- Schéma électrique
AVIS IMPORTANT !
Précaution: ne pas inverser les polarités lors du branchement de l’appareil. Dans ce cas, la plaque
de commandes ne s’allume pas et l’appareil ne fonctionne pas.
Az Bleu
N Noir
R Rouge
V Vert
B Blanc
A Jaune
Na Orange
M Marron
Contrôle
électronique
25A fusionner
dans connecteur
général
Connecteurs
originaux
NTC 15KΩ a 25º
Consommation
électrique30 mAmp.
4 Amp.
Capteur
air de retour
Soufeur
centrifuge
Ventilateur du
condenseur
Commande
électronique
compresseur
Commande
électronique
compresseur
1 Compresseur
2 Compresseur
2 Amp.
PWM.

Related product manuals