EasyManua.ls Logo

dirna Bergstrom Bycool Compact TRP Compact - Ważna Uwaga

dirna Bergstrom Bycool Compact TRP Compact
Print Icon
To Next Page IconTo Next Page
To Next Page IconTo Next Page
To Previous Page IconTo Previous Page
To Previous Page IconTo Previous Page
Loading...
COMPACT
Air conditioning for vehicles
36
PL
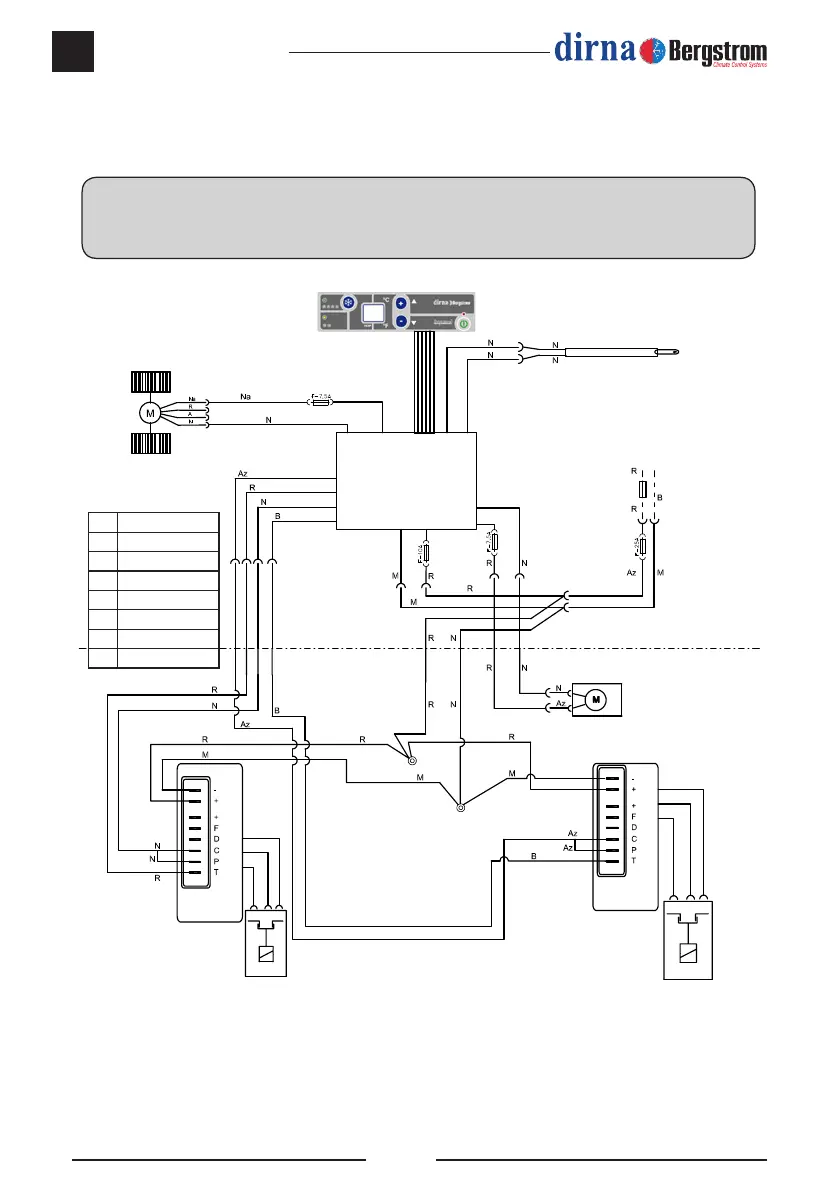
WSZYSTKIE MODELE EURO 5 - Schemat elektryczny
WAŻNA UWAGA!
Należy uważać, aby nie zamienić biegunów przy podłączaniu zasilania do urządzenia. Wyświetlacz nie
włącza się, a urządzenie wyłącza się.
Az Niebieski
N Czarny
R Czerwony
V Zielony
B Cel
A Zółty
Na Pomarańczowy
M Brown
Czujnik powietrza
powrotnego
Sterowanie
elektroniczne
Dmuchawa
odśrodkowa
Wentylator
kondensatora
Moduł
kontrolny
sprężarki
Moduł
kontrolny
sprężarki
Bezpiecznik 40A
(w oryginalnej skrzynce
bezpieczników)
1 Sprężarka
2 Sprężarka
2 Amp.
PWM.
NTC 15KΩ a 25º
Zużycie energii 30 mAmp.
4 Amp.

Related product manuals