EasyManua.ls Logo

dirna Bergstrom Bycool Compact TRP Compact - Page 37

dirna Bergstrom Bycool Compact TRP Compact
Print Icon
To Next Page IconTo Next Page
To Next Page IconTo Next Page
To Previous Page IconTo Previous Page
To Previous Page IconTo Previous Page
Loading...
COMPACT
Air conditioning for vehicles
37
PL
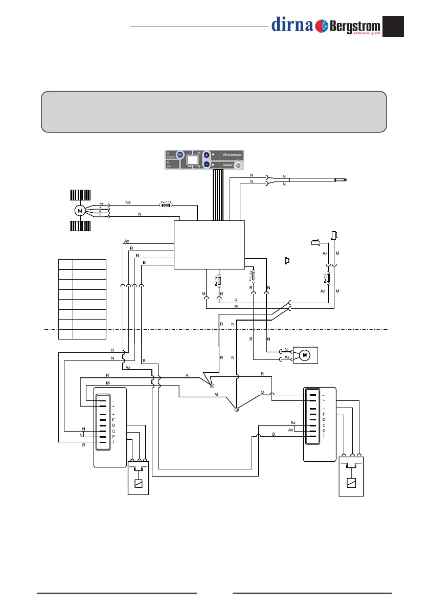
MODELE EURO 6 — Schemat elektryczny
WAŻNA UWAGA!
Należy uważać, aby nie zamienić biegunów przy podłączaniu zasilania do urządzenia. Wyświetlacz nie
włącza się, a urządzenie wyłącza się.
Az Azul
N Negro
R Rojo
V Verde
B Blanco
A Amarillo
Na Naranja
M Marrón
Sterowanie
elektroniczne
bezpiecznik 25A
w złączu
oryginalnym
Złącza
oryginalne
NTC 15KΩ a 25º
Zużycie energii 30 mAmp.
4 Amp.
Czujnik powietrza
powrotnego
Dmuchawa
odśrodkowa
Wentylator
kondensatora
Moduł
kontrolny
sprężarki
Moduł
kontrolny
sprężarki
1 Sprężarka
2 Sprężarka
2 Amp.
PWM.

Related product manuals