EasyManua.ls Logo

dirna Bergstrom Bycool Compact TRP Compact - Page 31

dirna Bergstrom Bycool Compact TRP Compact
Print Icon
To Next Page IconTo Next Page
To Next Page IconTo Next Page
To Previous Page IconTo Previous Page
To Previous Page IconTo Previous Page
Loading...
COMPACT
Air conditioning for vehicles
31
IT
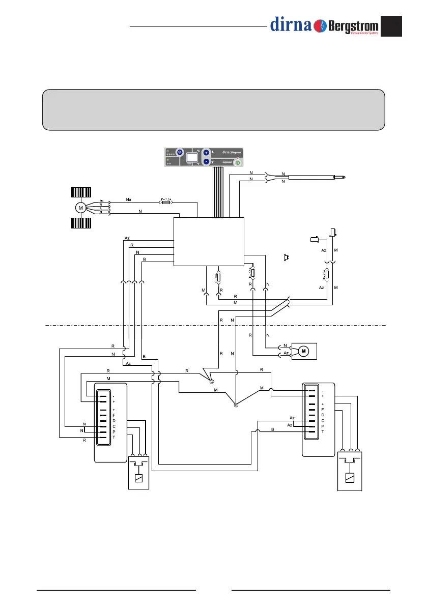
MODELLI EURO 6- Schema elettrico
AVVERTENZA IMPORTANTE!
Fare attenzione a non invertire le polarità quando si esegue il collegamento dell’impianto. Altrimenti, il
quadro comandi non si accenderebbe, l’impianto non funzionerebbe.
Controllo
elettronico
Fusibile 25 A
nel connettore
originale
Connettori
originali
NTC 15KΩ a 25º
Consumo elettrico 30 mAmp.
4 Amp.
Sensore
aria ritorno
Ventilatore
centrifugo
Ventilatore del
condensatore
Controllo
elettronico
compressore
Controllo
elettronico
compressore
1 Compressore
2 Compressore
2 Amp.
PWM.

Related product manuals