EasyManua.ls Logo

dirna Bergstrom Bycool Compact TRP Compact - Page 24

dirna Bergstrom Bycool Compact TRP Compact
Print Icon
To Next Page IconTo Next Page
To Next Page IconTo Next Page
To Previous Page IconTo Previous Page
To Previous Page IconTo Previous Page
Loading...
COMPACT
Air conditioning for vehicles
24
GE
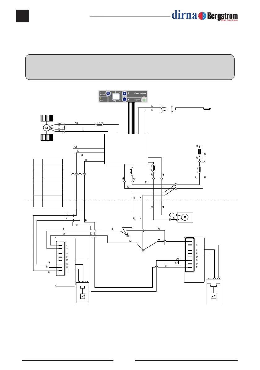
ALLE MODELLE EURO 5 - Schaltplan
WICHTIGER WARNHINWEIS!
Darauf achten, dass die Polaritäten beim Anschluss des Geräts nicht vertauscht werden. Ist dies der Fall,
schaltet sich das Bedienfeld nicht ein, das Gerät funktioniert nicht.
Az Blau
N Chwarz
R Rot
V Grün
B Weiss
A Gelb
Na Oranbe
M Braun
Sensor
(Rückluft)
Elektroniksteuerung
Zentrifugalgebläse
Kondensatorlüfter
Kompressor
electronisches
modul
Kompressor
electronisches
modul
Sicherung 40A
(im Original-
Sicherungskasten)
1 Kompressor
2 Kompressor
2 Amp.
PWM.
NTC 15KΩ a 25º
Stromverbrauch 30 mAmp.
4 Amp.

Related product manuals