EasyManua.ls Logo

dirna Bergstrom Bycool Compact TRP Compact - Page 43

dirna Bergstrom Bycool Compact TRP Compact
Print Icon
To Next Page IconTo Next Page
To Next Page IconTo Next Page
To Previous Page IconTo Previous Page
To Previous Page IconTo Previous Page
Loading...
COMPACT
Air conditioning for vehicles
43
CZ
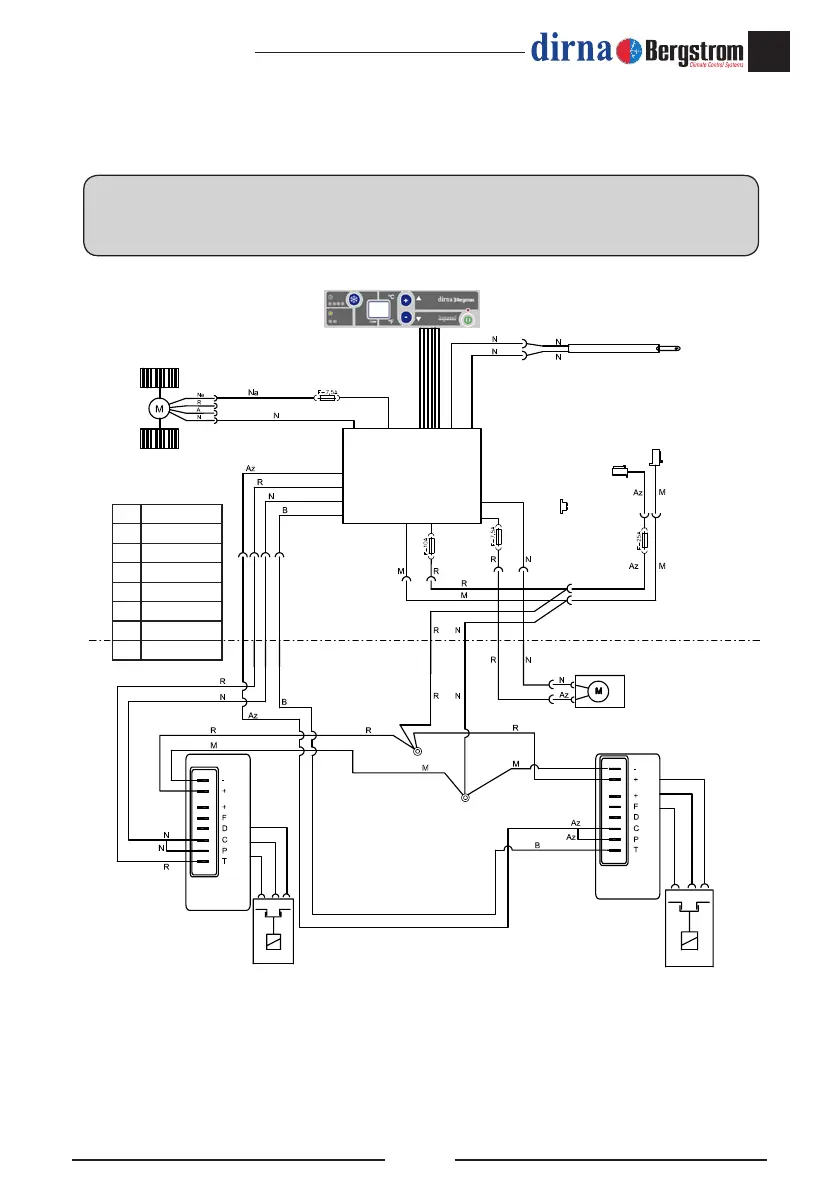
MODELY EURO 6 – Elektrické schéma
DŮLEŽITÉ UPOZORNĚNÍ!
Dejte pozor, aby při zapojení napájení zařízení nedošlo ke změně polarity, displej by se nerozsvítil
a zařízení by nefungovalo.
Az Modrý
N Black
R Červený
V Zelený
B Cíl
A Žlutý
Na Oranžový
M Hnědý
Elektronické
ovládání
Pojistka 25A
v původním
konektoru
Původní
konektory
NTC 15KΩ a 25º
30 mAmp spotřeba.
4 Amp.
Senzor pro zpětný
přívod vzduchu
Odstředivý
ventilátor (dmychadlo)
Ventilátor
kondenzátoru
Řídicí
modul
kompresoru
Řídicí
modul
kompresoru
1 Kompresor
2 Kompresor
2 Amp.
PWM.

Related product manuals