EasyManua.ls Logo

dirna Bergstrom Bycool Compact TRP Compact - Page 49

dirna Bergstrom Bycool Compact TRP Compact
Print Icon
To Next Page IconTo Next Page
To Next Page IconTo Next Page
To Previous Page IconTo Previous Page
To Previous Page IconTo Previous Page
Loading...
COMPACT
Air conditioning for vehicles
49
NL
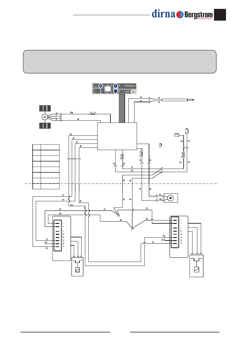
MODELLEN EURO 6- Elektrisch schema
BELANGRIJK!
Let op dat bij het aansluiten van de voeding op het apparaat niet polen niet omgewisseld worden. Het
display zal niet inschakelen en het apparaat zal niet werken.
Az Blauw
N Zwart
R Rood
V Groen
B Doel
A Geel
Na Oranje
M Bruin
Elektronische
printplaat
Zekering 25A
In oorspronkelijke
aansluiting
Oorspronkelijke
aansluitingen
NTC 15KΩ a 25º
Elektrisch verbruik 30 mAmp.
4 Amp.
Hercirculatiesonde
Blazer
Wentylator
kondensatora
Besturingseenheid
van de
Compressor
Besturingseenheid
van de
Compressor
1 Compressor
2 Compressor
2 Amp.
PWM.

Related product manuals