EasyManua.ls Logo

dirna Bergstrom Bycool Compact - Page 18

dirna Bergstrom Bycool Compact
Print Icon
To Next Page IconTo Next Page
To Next Page IconTo Next Page
To Previous Page IconTo Previous Page
To Previous Page IconTo Previous Page
Loading...
COMPACT
Air conditioning for vehicles
18
FR
Na
ºC
ºF
TEMP
ON/OFF
-
+
+
F
D
C
P
T
-
+
+
F
D
C
P
T
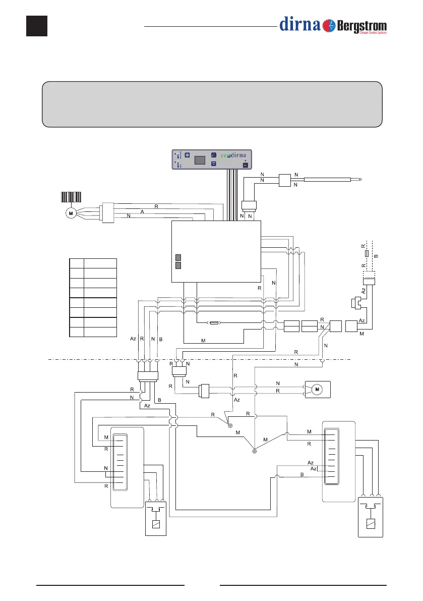
TOUS LES MODÈLES SAUF EURO 6- Schéma électrique
AVIS IMPORTANT !
Attention de ne pas inverser les polarités dans la connexion de l’alimentation à l’équipement. Si
cela se produisait, la plaque ne s’allumerait pas et l’équipement ne fonctionnerait pas.
Az Bleu
N Noir
R Rouge
V Vert
B Blanc
A Jaune
Na Orange
M Marron
Sonde de
température
Commande
électronique
Ventilateur
Adhésif avec connecteurs
Electroventilateur
Commande
électronique
compresseur
40A fusionner
(dans boîte à fusibles d’origine)
25A fusionner
Commande
électronique
compresseur
Compresseur
Compresseur
10A fusionner
2,9 Amp.
PWM.
NTC 15KΩ a 25º
Consommation
électrique30 mAmp.
2,6 Amp.

Other manuals for dirna Bergstrom Bycool Compact

Related product manuals