EasyManua.ls Logo

dirna Bergstrom Bycool Compact - Page 19

dirna Bergstrom Bycool Compact
Print Icon
To Next Page IconTo Next Page
To Next Page IconTo Next Page
To Previous Page IconTo Previous Page
To Previous Page IconTo Previous Page
Loading...
COMPACT
Air conditioning for vehicles
19
FR
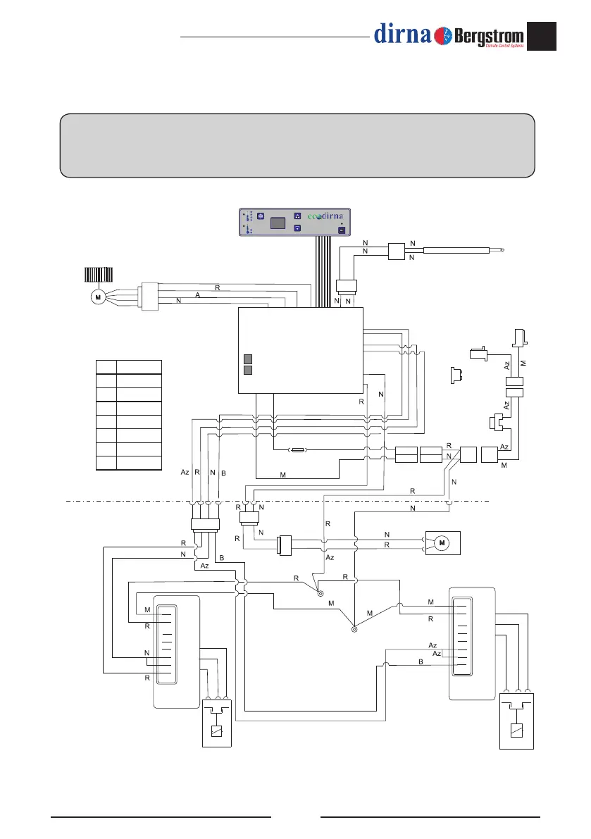
MODÈLES EURO 6- Schéma électrique
AVIS IMPORTANT !
Attention de ne pas inverser les polarités dans la connexion de l’alimentation à l’équipement. Si
cela se produisait, la plaque ne s’allumerait pas et l’équipement ne fonctionnerait pas.
Na
ºC
ºF
TEMP
ON/OFF
-
+
+
F
D
C
P
T
-
+
+
F
D
C
P
T
Az Bleu
N Noir
R Rouge
V Vert
B Blanc
A Jaune
Na Orange
M Marron
Sonde de
température
Commande
électronique
Ventilateur
Wiring strip
Electroventilateur
Commande
électronique
compresseur
25A fusionner
dans connecteur général
25A fusionner
Connecteurs
originaux
Commande
électronique
compresseur
Compresseur
Compresseur
10A fusionner
2,9 Amp.
PWM.
NTC 15KΩ a 25º
Consommation
électrique30 mAmp.
2,6 Amp.

Other manuals for dirna Bergstrom Bycool Compact

Related product manuals