EasyManua.ls Logo

dirna Bergstrom bycool SPLIT - Esquema Eléctrico

dirna Bergstrom bycool SPLIT
Print Icon
To Next Page IconTo Next Page
To Next Page IconTo Next Page
To Previous Page IconTo Previous Page
To Previous Page IconTo Previous Page
Loading...
ES
SPLIT
10
®
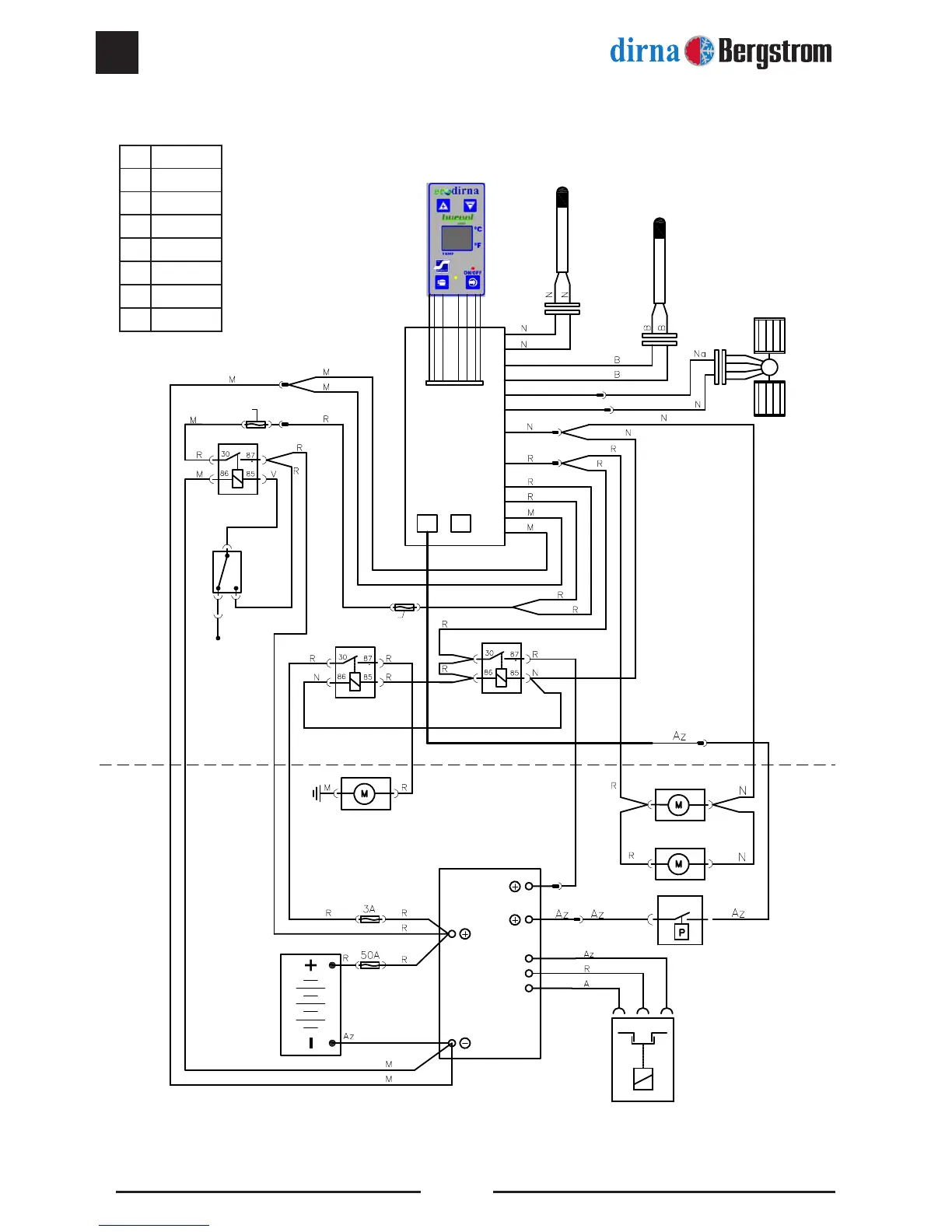
ESQUEMA ELÉCTRICO
Soplador
Sensor aire de retorno
Sensor antihielo
Panel de
control
Control
electrónico
Módulo
electrónico
compresor
Relé
Relé
Ventilador
conjunto
compresor
Batería
Ventiladores del
condensador
Presostato
Compresor
Relé
Interruptor
(+) con motor
arrancado
A
Fusible 25A 12v
Fusible 15A 24v
Fusible 25A 12v
Fusible 15A 24v
Az Azul
N Negro
R Rojo
V Verde
B Blanco
A Amarillo
Na Naranja
M Marrón

Other manuals for dirna Bergstrom bycool SPLIT

Related product manuals