EasyManua.ls Logo

dirna Bergstrom bycool SPLIT - PIPING AND CABLE CONNECTION

dirna Bergstrom bycool SPLIT
Print Icon
To Next Page IconTo Next Page
To Next Page IconTo Next Page
To Previous Page IconTo Previous Page
To Previous Page IconTo Previous Page
Loading...
SPLIT
20
®
EN
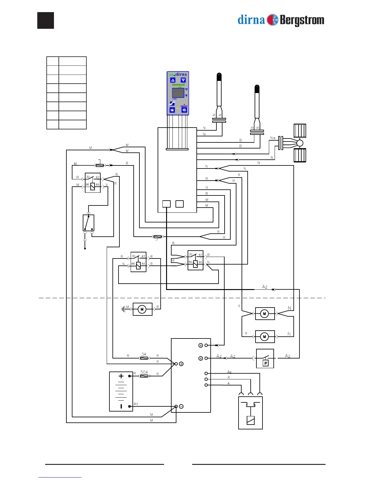
WIRING DIAGRAM
Blower
Return air sensor
Anti-freeze sensor
Control
panel
Electronic
control
Compressor
e-module
Relay
Relay
Compressor
unit fan
Battery
Condenser fan
Pressostat
Compressor
Relay
Switch
(+) With engine
Running
A
Fuse 25A 12v
Fuse 15A 24v
Fuse 25A 12v
Fuse 15A 24v
Az Blue
N Black
R Red
V Green
B White
A Yellow
Na Orange
M Brown

Other manuals for dirna Bergstrom bycool SPLIT

Related product manuals