EasyManua.ls Logo

dirna Bergstrom bycool SPLIT - Page 40

dirna Bergstrom bycool SPLIT
Print Icon
To Next Page IconTo Next Page
To Next Page IconTo Next Page
To Previous Page IconTo Previous Page
To Previous Page IconTo Previous Page
Loading...
SPLIT
40
®
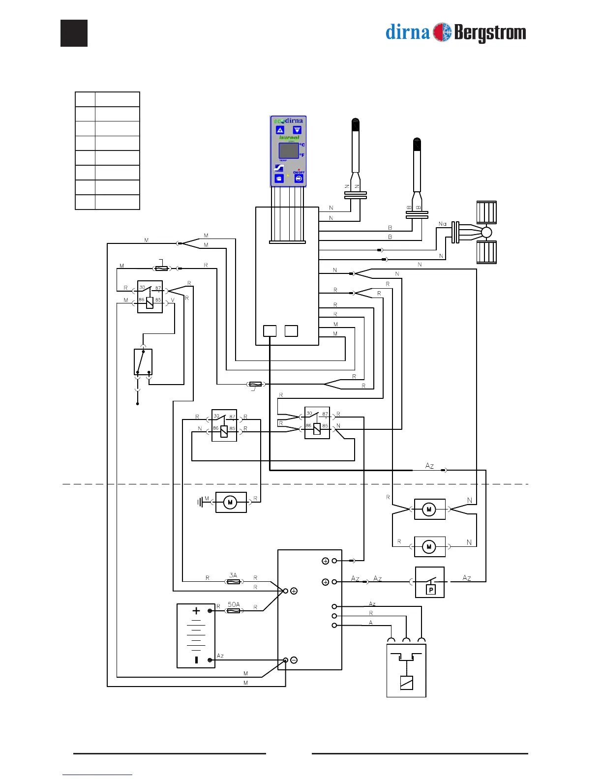
GE
ELEKTROSCHEMA
Gebläse
Abluftsensor
Sensor (Frostschutz)
Bedienfeld
Elektroniksteuerung
Elektronikmodul
Verdichter
Relais
Relais
Lüfter
Kompressorgruppe
Batterie
Kondensatorlüfter
Druckwächter
Verdichter
Relais
Schalter
(+) Bei
laufendem motor
A
Sicherung 25A 12v
Sicherung 15A 24v
Sicherung 25A 12v
Sicherung 15A 24v
Az Blau
N Schwarz
R Rot
V Grün
B Weiß
A Gelb
Na Orange
M Braun

Other manuals for dirna Bergstrom bycool SPLIT

Related product manuals