EasyManua.ls Logo

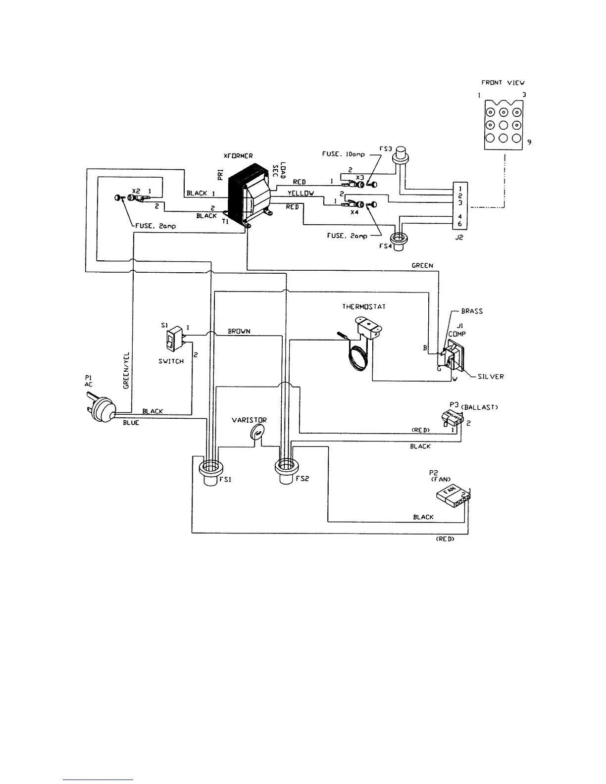
Dixie Narco 2054 - Figure 4 - Ac Distribution Box Schematic

Default Icon
98 pages
Print Icon
To Next Page IconTo Next Page
To Next Page IconTo Next Page
To Previous Page IconTo Previous Page
To Previous Page IconTo Previous Page
Loading...
Page 61
FIGURE 4 – AC DISTRIBUTION BOX SCHEMATIC

Table of Contents

Related product manuals