EasyManua.ls Logo

dji MATRICE 200

dji MATRICE 200
71 pages
To Next Page IconTo Next Page
To Next Page IconTo Next Page
To Previous Page IconTo Previous Page
To Previous Page IconTo Previous Page
Loading...
©
2017 DJI All Rights Reserved.
9
MATRICE 200
User Manual
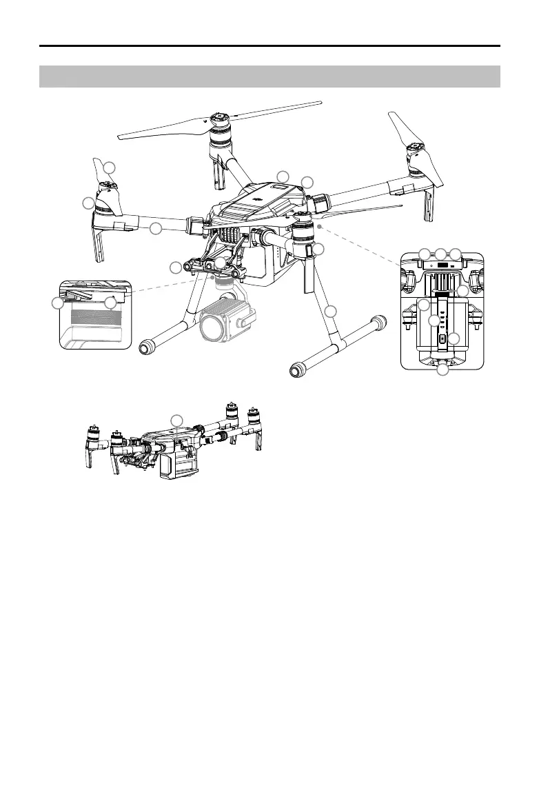
Aircraft Diagram
17
19
14
13
12
16
18
2
11
10
9
8
5
6
1
7
3
4
15
20
Folded
1. FPV Camera
2. Forward Vision System
3. DJI Gimbal Connector V2.0 (DGC2.0)
4. Gimbal and Camera Detachment Button
5. Frame Arms
6. Motors
7. Propellers
8. ESC LEDs
9. Landing Gear
10. Upward Infrared Sensor
11. Aircraft Status Indicator
12. Linking Button/Linking Indicator
13. USB Port
14. USB Mode Switch
15. Battery Removal Button
16. Intelligent Flight Batteries
17. Battery Level Indicators
18. Power Button
19. Downward Vision System
20. Micro SD Card Slot

Other manuals for dji MATRICE 200

Related product manuals