EasyManua.ls Logo

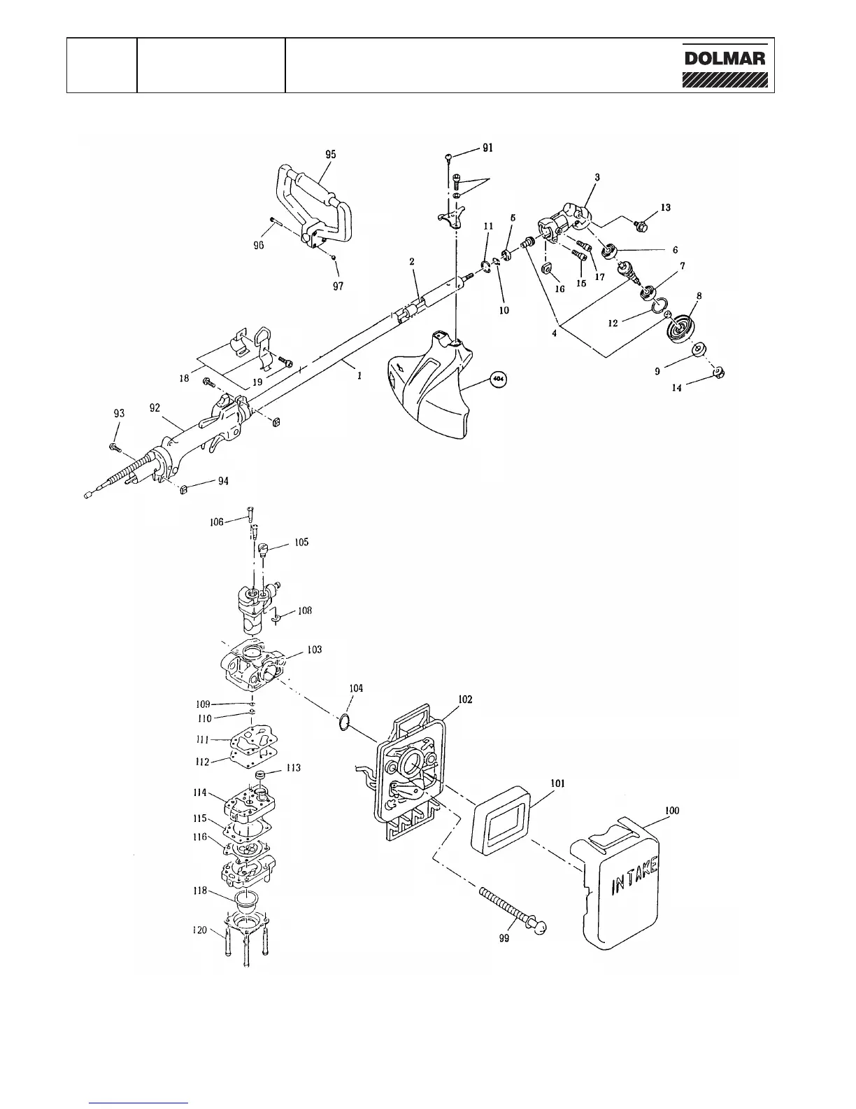
Dolmar MS-20 C - Pipe, Handle, Protector, Carburetor, Air Cleaner

Dolmar MS-20 C
14 pages
Print Icon
To Next Page IconTo Next Page
To Next Page IconTo Next Page
To Previous Page IconTo Previous Page
To Previous Page IconTo Previous Page
Loading...
1
Pipe, handle, protector, carburetor, air cleanerMS-20 C

Related product manuals