EasyManua.ls Logo

Dometic B2200 - Esquema Eléctrico

Dometic B2200
334 pages
Print Icon
To Next Page IconTo Next Page
To Next Page IconTo Next Page
To Previous Page IconTo Previous Page
To Previous Page IconTo Previous Page
Loading...
28
Instrucciones de uso para el usuario
E
B1600 - B1600PLUS - B2200 - B2600
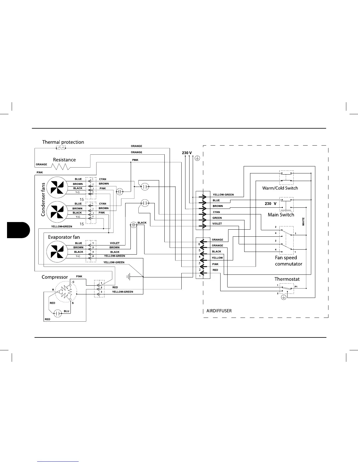
ESQUEMA ELÉCTRICO B1600
(Rev. 04)
V'
V'
V'
V'
V'
1
2
3
4
5
6

Table of Contents

Other manuals for Dometic B2200

Related product manuals