EasyManua.ls Logo

Dometic B2200 - Elektrisk Diagram

Dometic B2200
334 pages
Print Icon
To Next Page IconTo Next Page
To Next Page IconTo Next Page
To Previous Page IconTo Previous Page
To Previous Page IconTo Previous Page
Loading...
28
Brukerveiledning
N
B1600 - B1600PLUS - B2200 - B2600
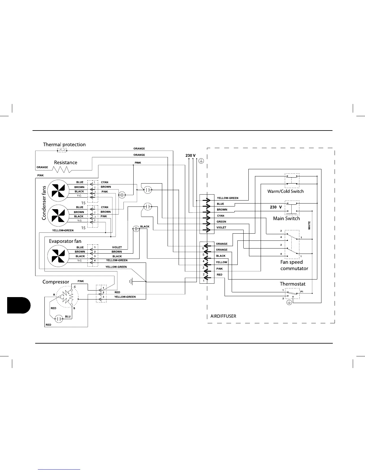
ELEKTRISK DIAGRAM B1600
(Rev. 04)
V'
V'
V'
V'
V'
1
2
3
4
5
6

Table of Contents