EasyManua.ls Logo

Dometic B2200 - Page 270

Dometic B2200
334 pages
Print Icon
To Next Page IconTo Next Page
To Next Page IconTo Next Page
To Previous Page IconTo Previous Page
To Previous Page IconTo Previous Page
Loading...
28
Käyttäjän ohjekirja
FIN
B1600 - B1600PLUS - B2200 - B2600
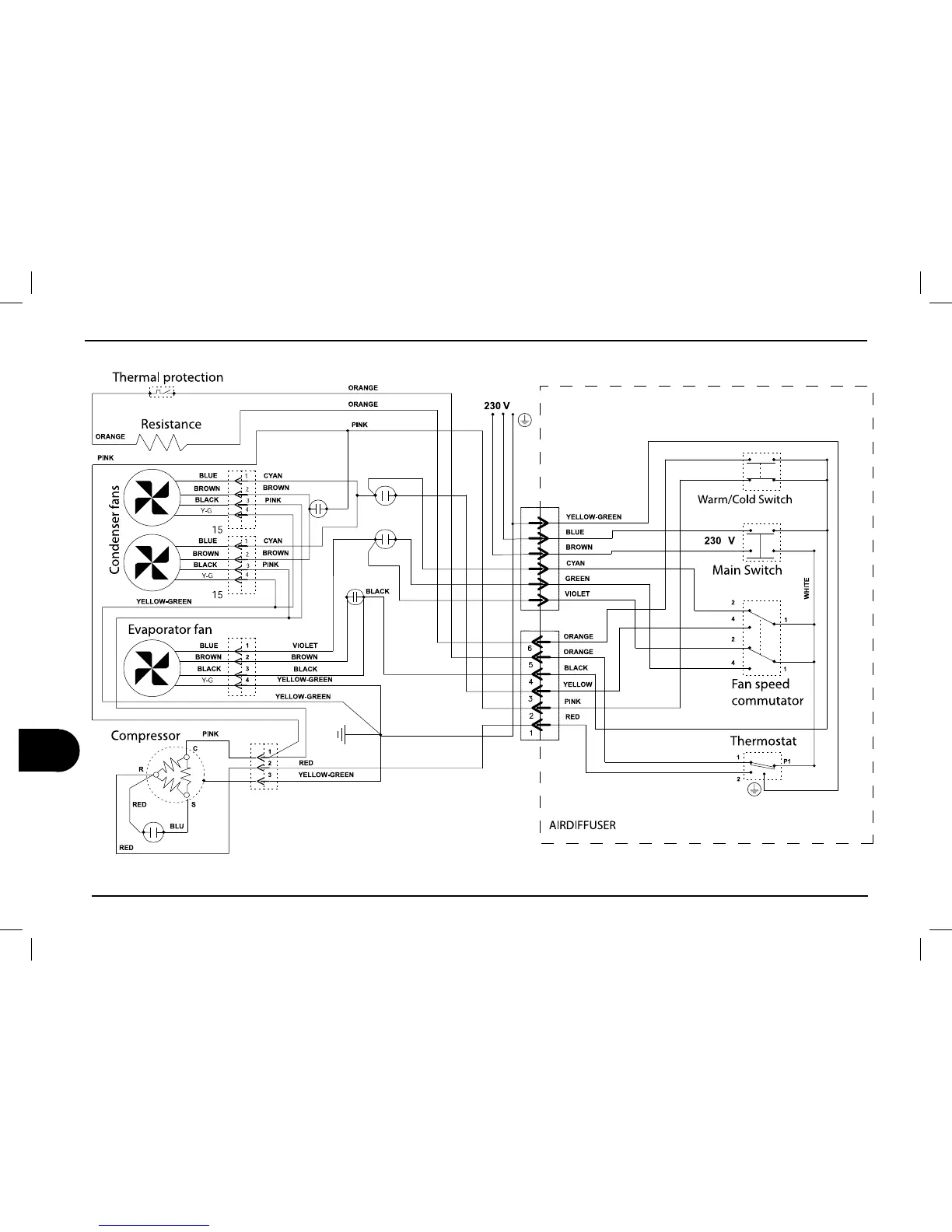
SÄHKÖKAAVIO B1600
(Rev. 04)
V'
V'
V'
V'
V'
1
2
3
4
5
6

Table of Contents