EasyManua.ls Logo

Domino Gx150i

Default Icon
198 pages
To Next Page IconTo Next Page
To Next Page IconTo Next Page
To Previous Page IconTo Previous Page
To Previous Page IconTo Previous Page
Loading...
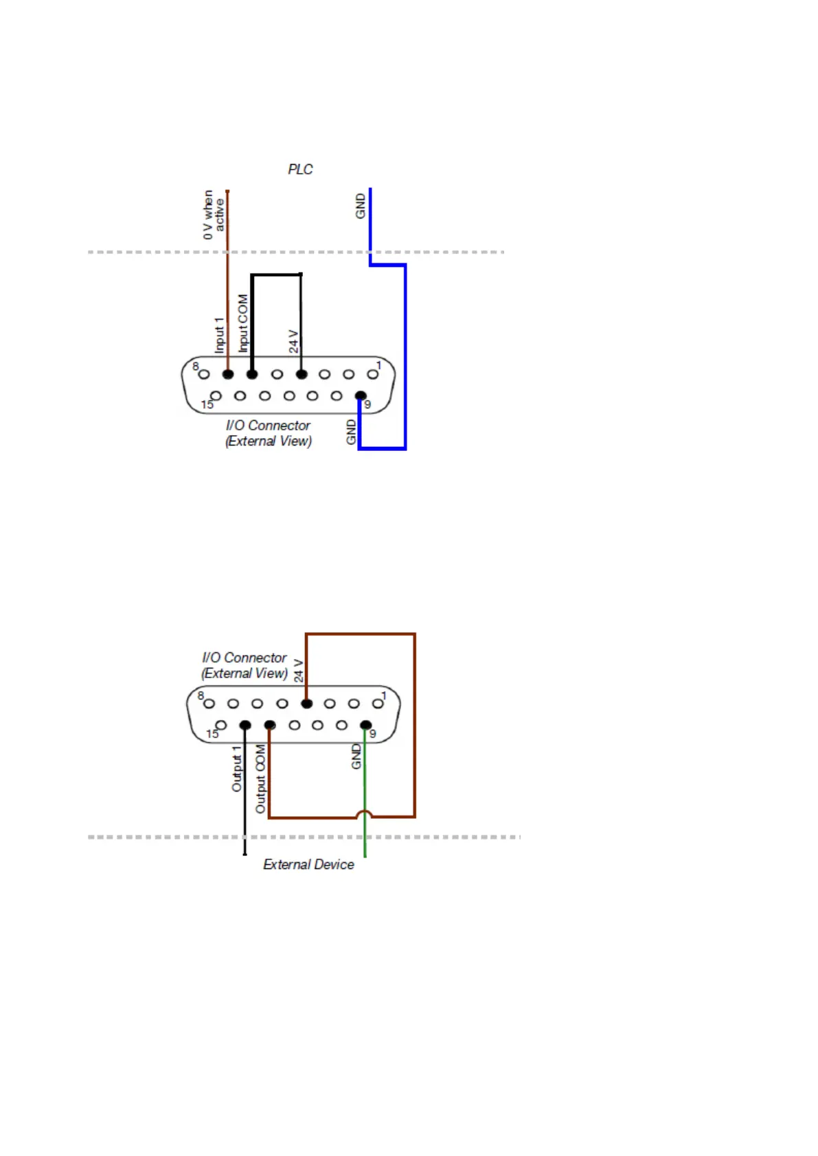
The connection depends on the PLC's output type. The diagram below illustrates a 0 V input
from the PLC.
To define input functions, see Inputs on page 82.
Gx-IC7 PLC Input (0 V from PLC)
Output (24 V When Active)
2 outputs are available on each of the I/O connectors. The diagram below illustrates the
connection to "Output 1" on one of the I/O connectors. The other outputs are listed see I/O
Connector Layout (Gx-IC7) on page 37.
To define output functions, see Inputs on page 82.
Gx-IC7 Output (24 V When Active)
Output (0 V When Active)
2 outputs are available on each of the I/O connectors. The diagram below illustrates the
connection to "Output 1" on one of the I/O connectors. The other outputs are listed see I/O
Connector Layout (Gx-IC7) on page 37.
INSTALLATION
EPT053091 - Issue 5 - 07 May 2021 42

Table of Contents

Related product manuals