EasyManua.ls Logo

Doosan D20G - Optional Schematic with Hyd. Locking System

Doosan D20G
74 pages
Print Icon
To Next Page IconTo Next Page
To Next Page IconTo Next Page
To Previous Page IconTo Previous Page
To Previous Page IconTo Previous Page
Loading...
Vehicle System System Operation 20
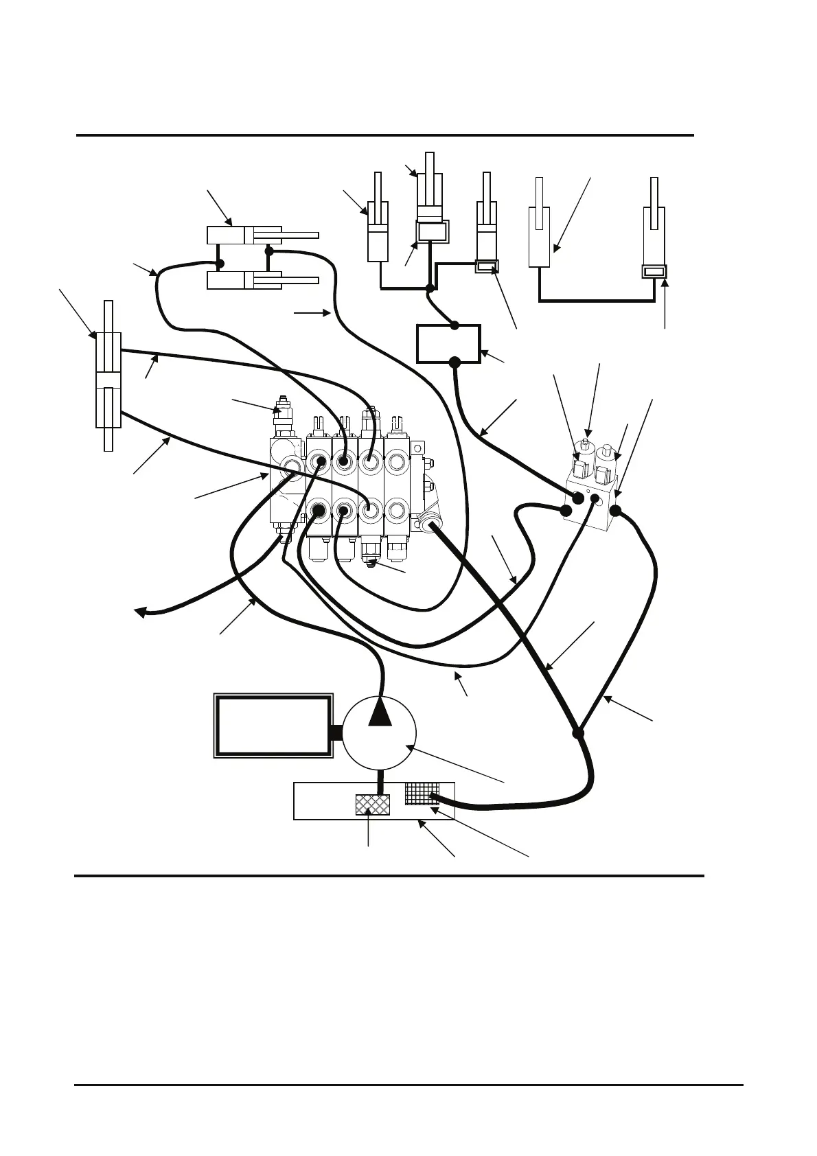
Optional Schematic with hyd. locking system
Basic Hydraulic Actuator System Schematic
(1) Lift Cylinder (2) Flow Protector-primary (3) Lift Cylinder-Primary (4) Flow Protector-Secondary (5) Side Shfit Cylinder
(6) Tilt Cylinder (7) Control Valve (8) Hydraulic Line (To Steering Unit) (9) Relief valve-Auxiliary (10) Relief Valve-Main
(11) Gear Pump (12) Suction Filter (13) Return Filter (14) Hydraulic Tank (15)-(24) Hydraulic Line (25) Flow Regulator Valve
(26) Solenoid Block (27) Lift Lock Solenoid (28) Unload Solenoid (29) Emergency Manual Over Ride Valve
FFT mast
12
Engine
1
6
5
3
1
2
4
STD mast
4
7
11
13
14
8
9
10
15
16
18
19
20
21
17
22
23
24
26
27
28
29
25

Table of Contents

Other manuals for Doosan D20G

Related product manuals