EasyManua.ls Logo

Doosan D20G - Operator Sensing System Schematic

Doosan D20G
74 pages
Print Icon
To Next Page IconTo Next Page
To Next Page IconTo Next Page
To Previous Page IconTo Previous Page
To Previous Page IconTo Previous Page
Loading...
Vehicle System Testing and Adjusting 50
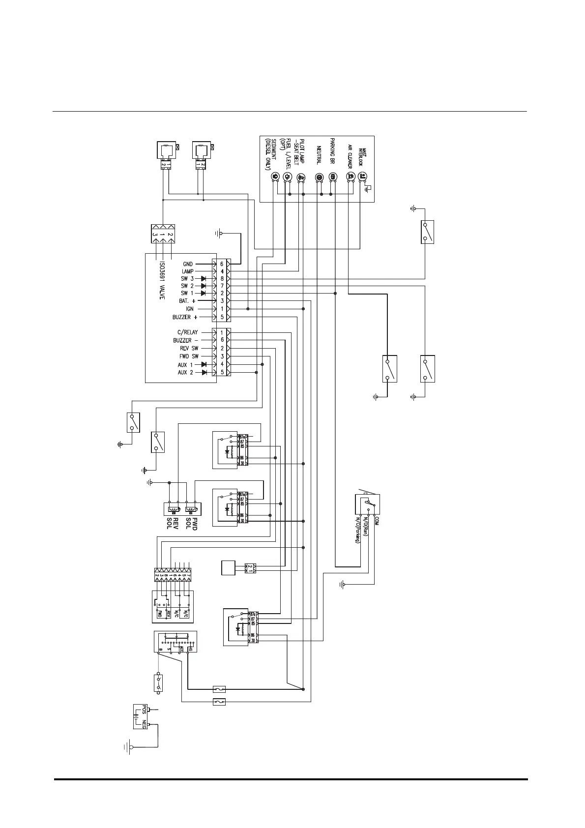
Operator Sensing System Schematic
SOL_VALVE_UNLOAD
SOL_VALVE_LIFT LOCK
INDICATOR AS
SEAT BELT SWITCH
SEAT SWITCH
AIR CLEANER SWITCH
FUSE
CIRCUIT BREAKER
IGNITION SWDIR SWITCH
RELAY
CREEPING SPEED
PILOT BUZZER
FWD
BATTERY
FUSE
PARKING
BRAKE SW
REV
LP PR SW
SEDIMENT SW
CONTROLLER - VCS

Table of Contents

Other manuals for Doosan D20G

Related product manuals