EasyManua.ls Logo

Doosan GL08K - Page 146

Doosan GL08K
206 pages
Print Icon
To Next Page IconTo Next Page
To Next Page IconTo Next Page
To Previous Page IconTo Previous Page
To Previous Page IconTo Previous Page
Loading...
Maintenance
- 140 -
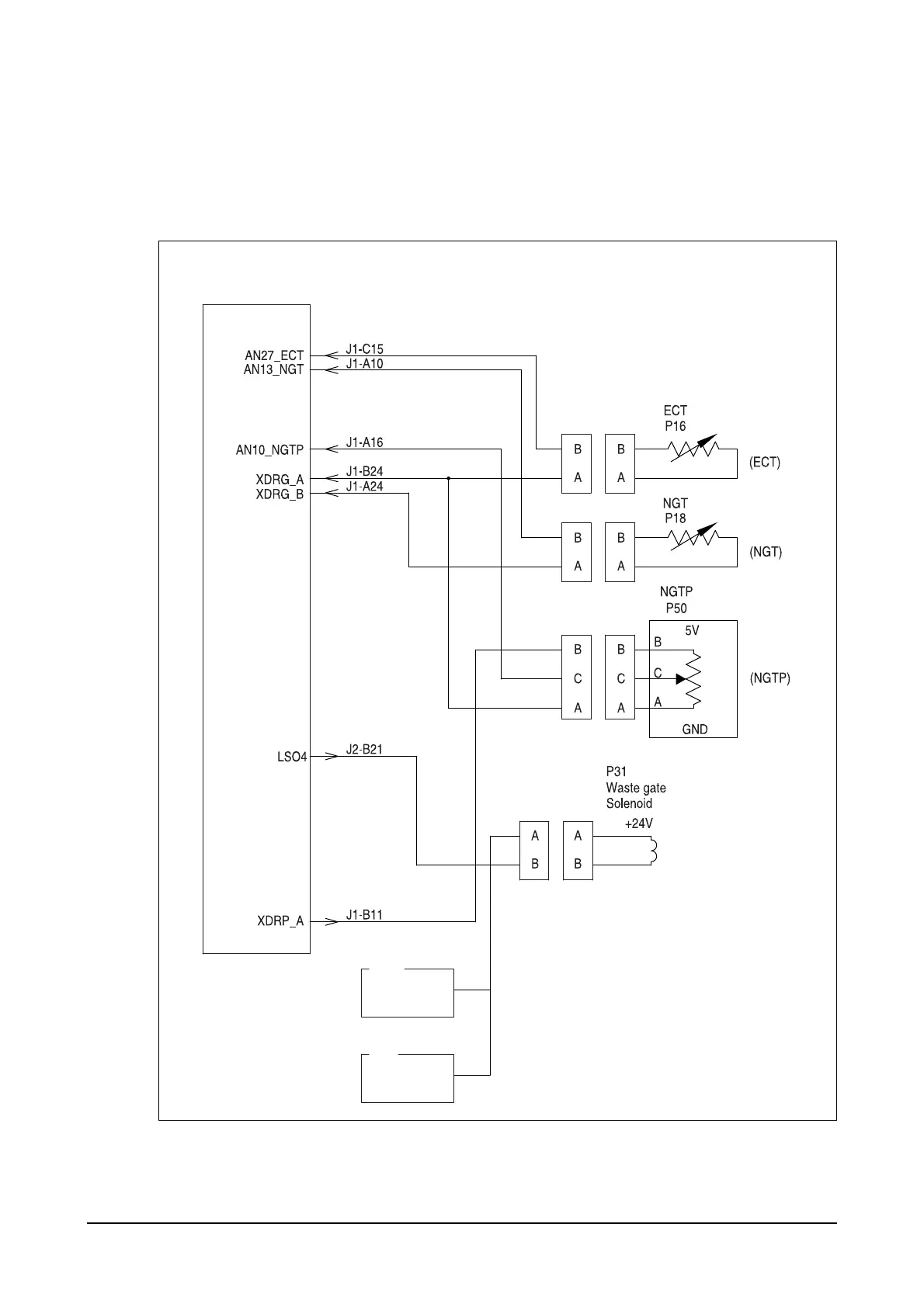
2) Temperature and pressure sensor (A)
Engine coolant temperature sensor : ECT
Nature gas temperature sensor : NGT
Nature gas tank pressure : NGTP
Waste gate solenoid valve
EJ1OM037
to P25 IC #6
Pin No.4
to P25 IC #6
Pin No.D
Engine control module
(ECM)
Signal name
Bus
Truck

Related product manuals