EasyManua.ls Logo

Doosan GL08K - Page 147

Doosan GL08K
206 pages
Print Icon
To Next Page IconTo Next Page
To Next Page IconTo Next Page
To Previous Page IconTo Previous Page
To Previous Page IconTo Previous Page
Loading...
Maintenance
- 141 -
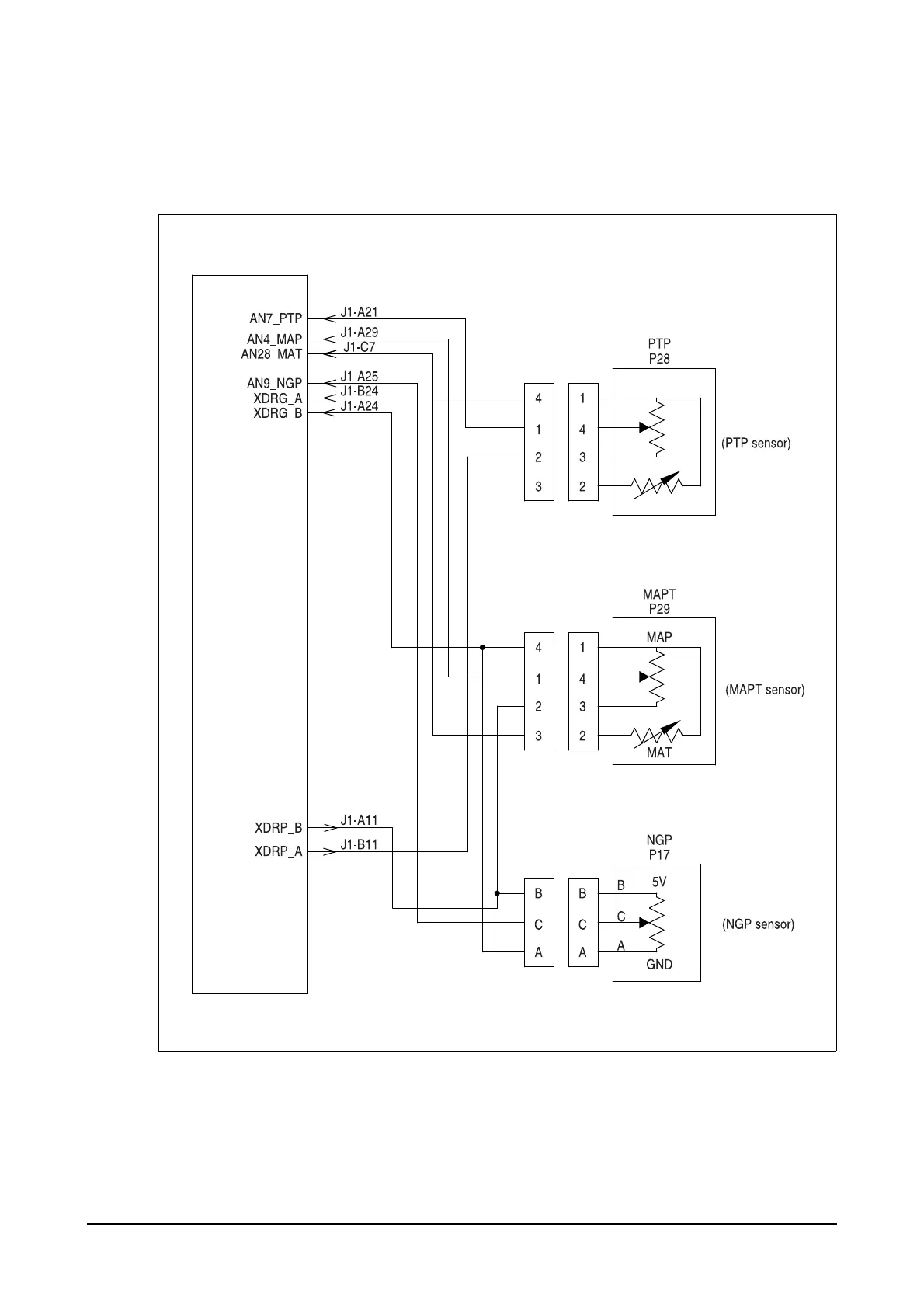
3) Temperature and pressure sensor (B)
Pre throttle pressure sensor : PTP
Manifold air pressure and temperature sensor : MAPT
Natural gas pressure sensor : NGP
EH3M5007
Signal name
Engine control module
(ECM)

Related product manuals