EasyManua.ls Logo

Doosan GL08K - Page 148

Doosan GL08K
206 pages
Print Icon
To Next Page IconTo Next Page
To Next Page IconTo Next Page
To Previous Page IconTo Previous Page
To Previous Page IconTo Previous Page
Loading...
Maintenance
- 142 -
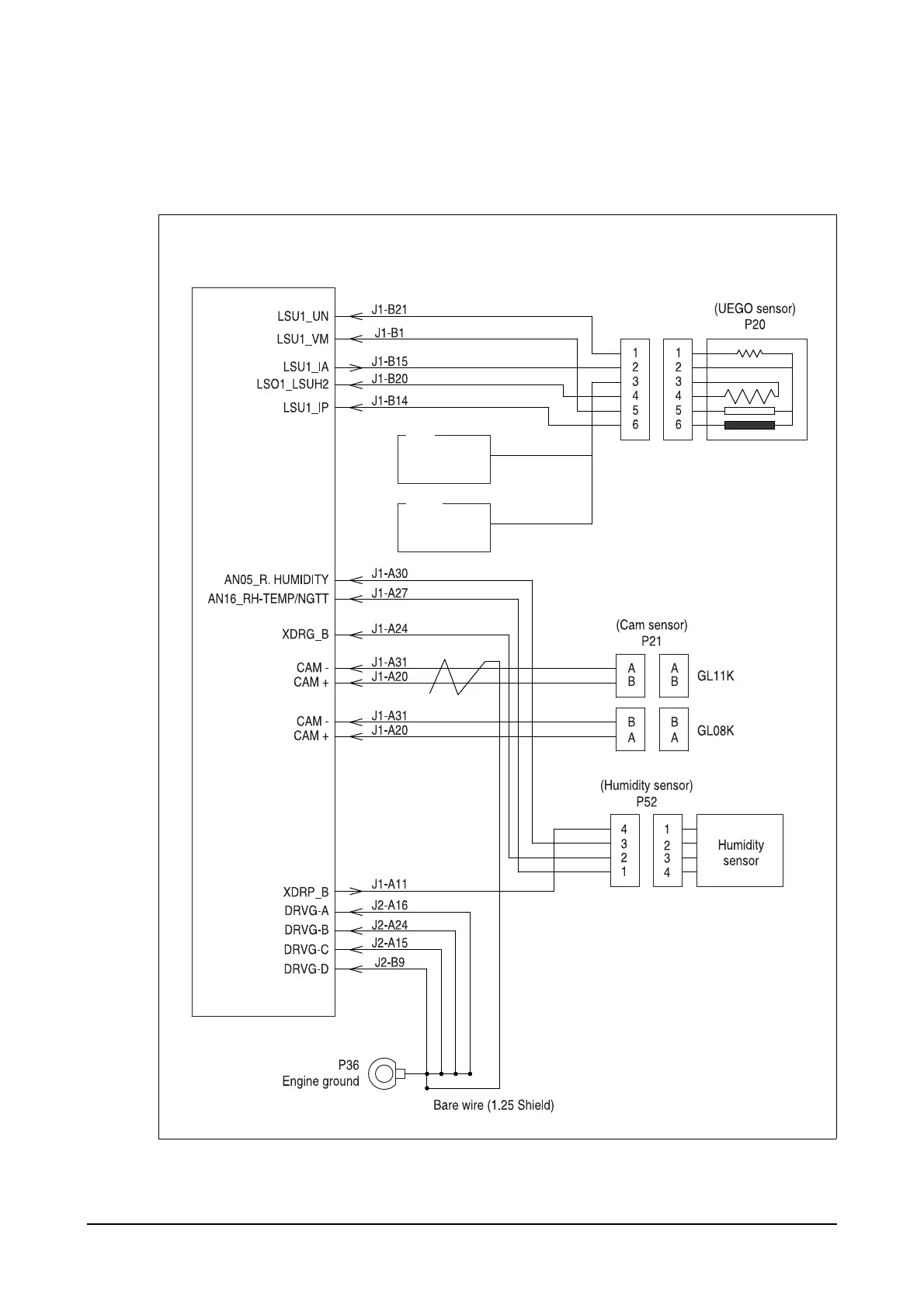
4) Universal exhaust gas oxygen and humidity sensor
Universal exhaust gas oxygen : UEGO
Cam sensor
Humidity sensor
EJ1OM038
to P25 IC #6
Pin No.4
to P25 IC #6
Pin No.D
Engine control module
(ECM)
Signal name
Bus, Truck
Bus
Truck
Bus, Truck

Related product manuals