EasyManua.ls Logo

Doosan GL08K - Page 149

Doosan GL08K
206 pages
Print Icon
To Next Page IconTo Next Page
To Next Page IconTo Next Page
To Previous Page IconTo Previous Page
To Previous Page IconTo Previous Page
Loading...
Maintenance
- 143 -
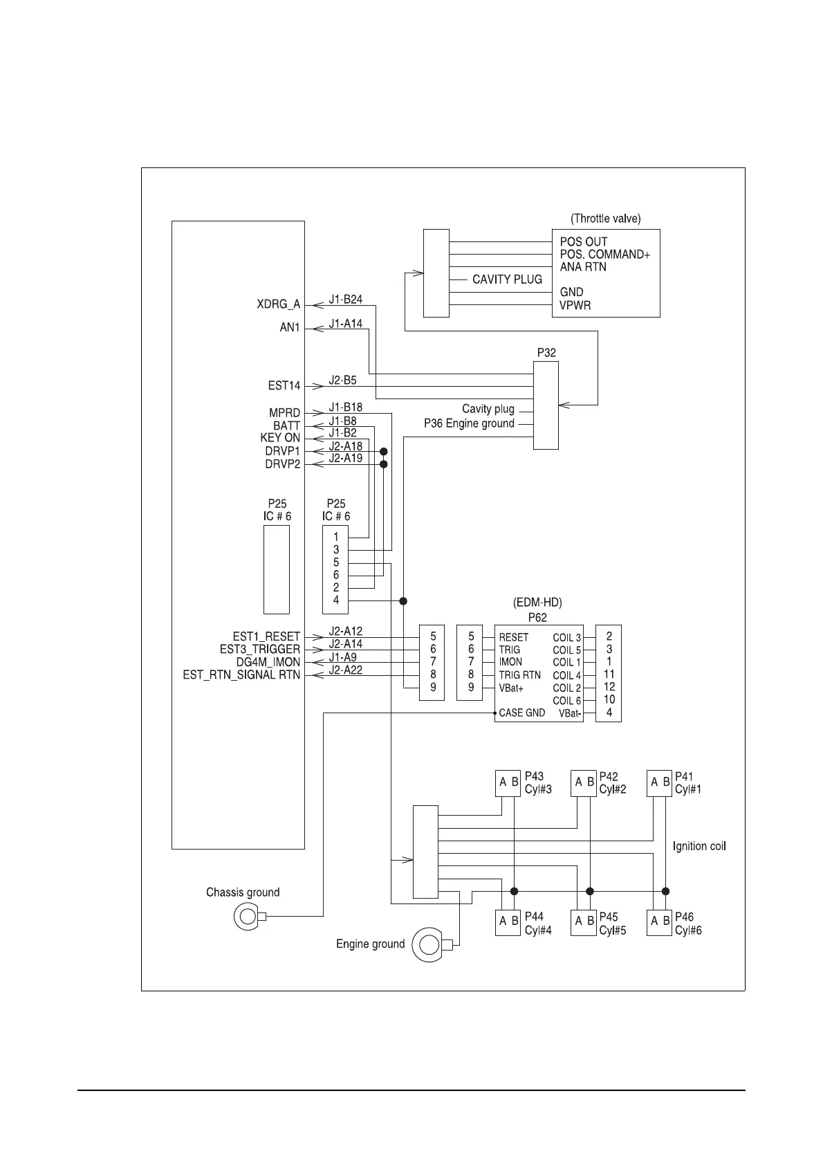
5) Throttle valve and EDM-HD
Throttle valve
EDM-HD
EJ1OM039
6
12
7
1
A
C
E
F
B
D
10
2
3
1
11
12
10
4
Engine control module
(ECM)
Signal name
Bus Truck

Related product manuals