EasyManua.ls Logo

Drieaz LGR 7000XLI - Electrical Schematic

Drieaz LGR 7000XLI
19 pages
Print Icon
To Previous Page IconTo Previous Page
To Previous Page IconTo Previous Page
Loading...
07-01802C (F412-230V) 2013-01 Warranty 07-00427 19 Dri-Eaz Products, Inc.
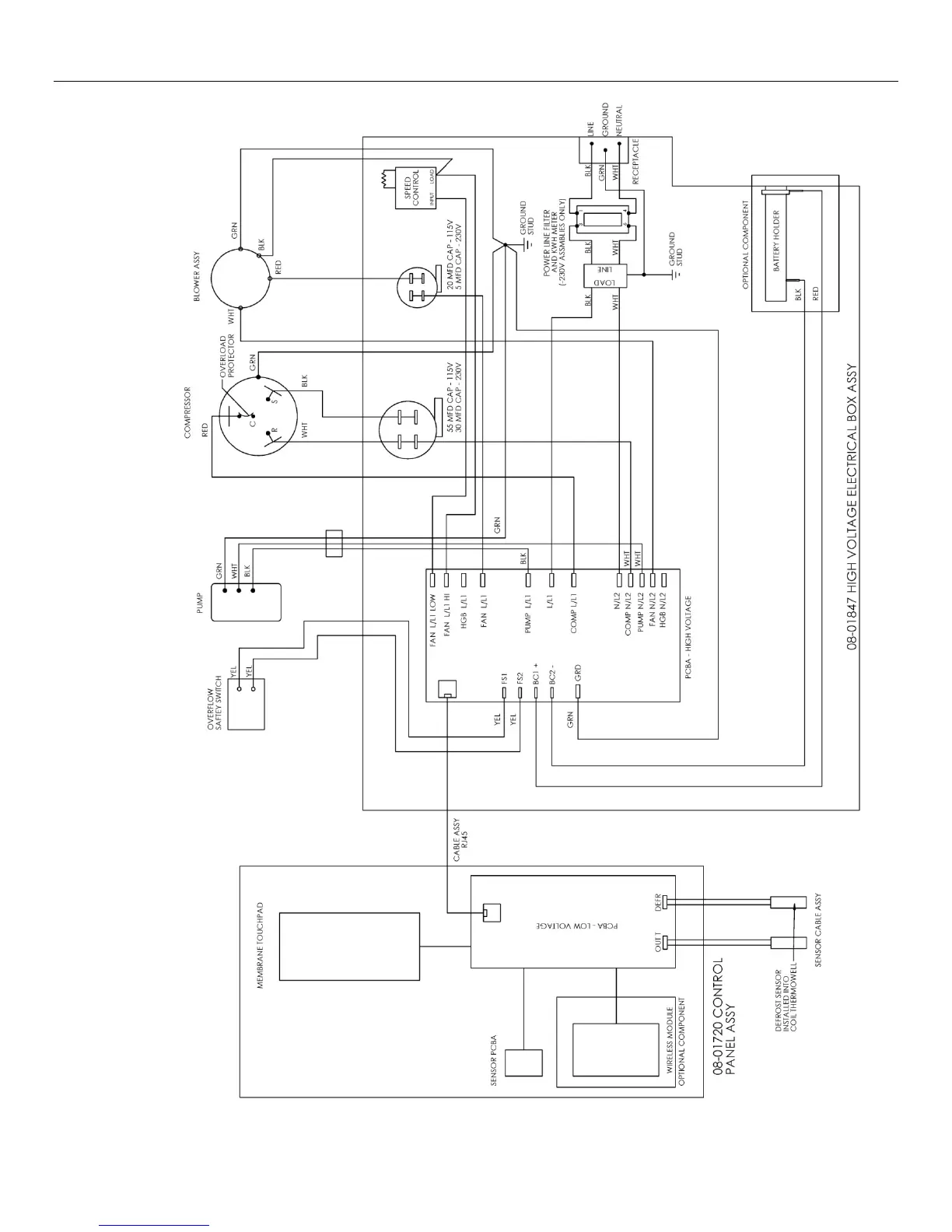
ELECTRICAL SCHEMATIC

Other manuals for Drieaz LGR 7000XLI

Related product manuals