EasyManua.ls Logo

Dual IPLUG XDMP680 - Wiring Diagram

Dual IPLUG XDMP680
20 pages
Print Icon
To Next Page IconTo Next Page
To Next Page IconTo Next Page
To Previous Page IconTo Previous Page
To Previous Page IconTo Previous Page
Loading...
3
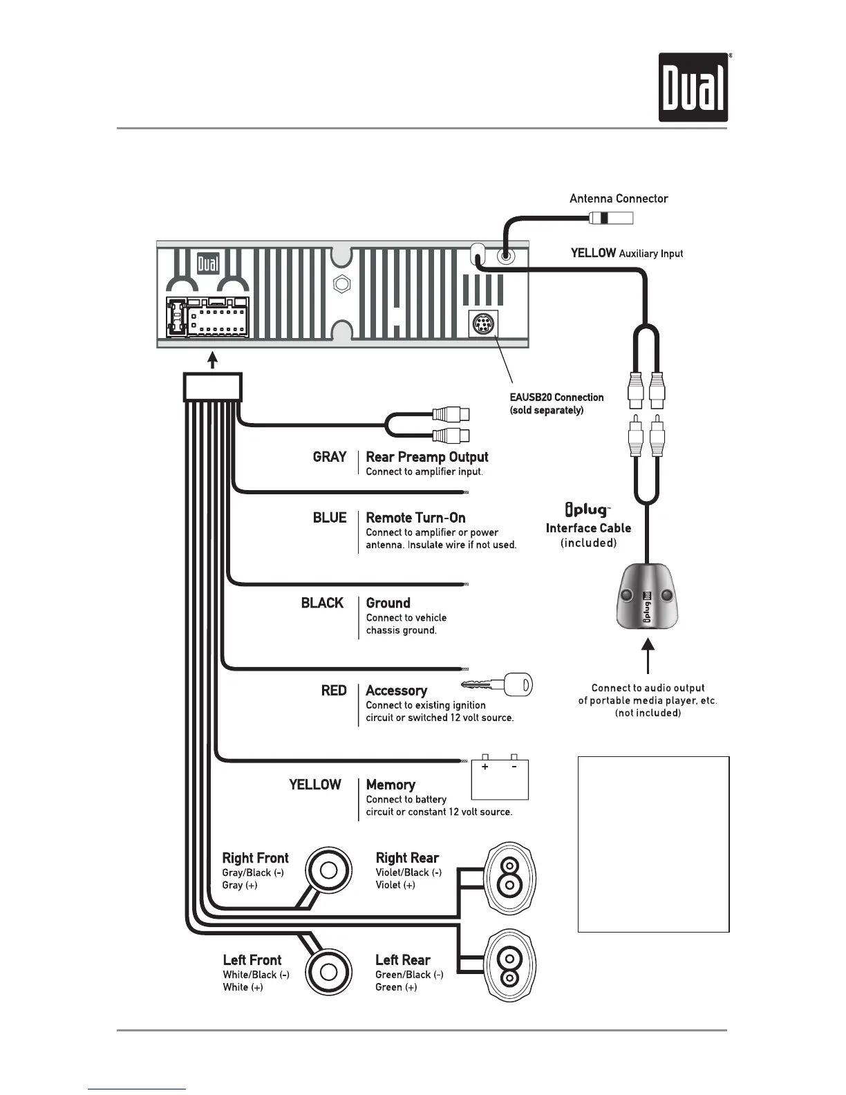
XDMP680INSTALLATION
Wiring Diagram
FUSE
When replacing the fuse,
make sure new fuse is the
correct type and amperage.
Using an incorrect fuse
could damage the radio.
The XDMP680 uses one
10 amp ATM fuse located
beside the wiring connector.

Related product manuals