EasyManua.ls Logo

Ducati monster 620 i.e. - Page 475

Ducati monster 620 i.e.
546 pages
Print Icon
To Next Page IconTo Next Page
To Next Page IconTo Next Page
To Previous Page IconTo Previous Page
To Previous Page IconTo Previous Page
Loading...
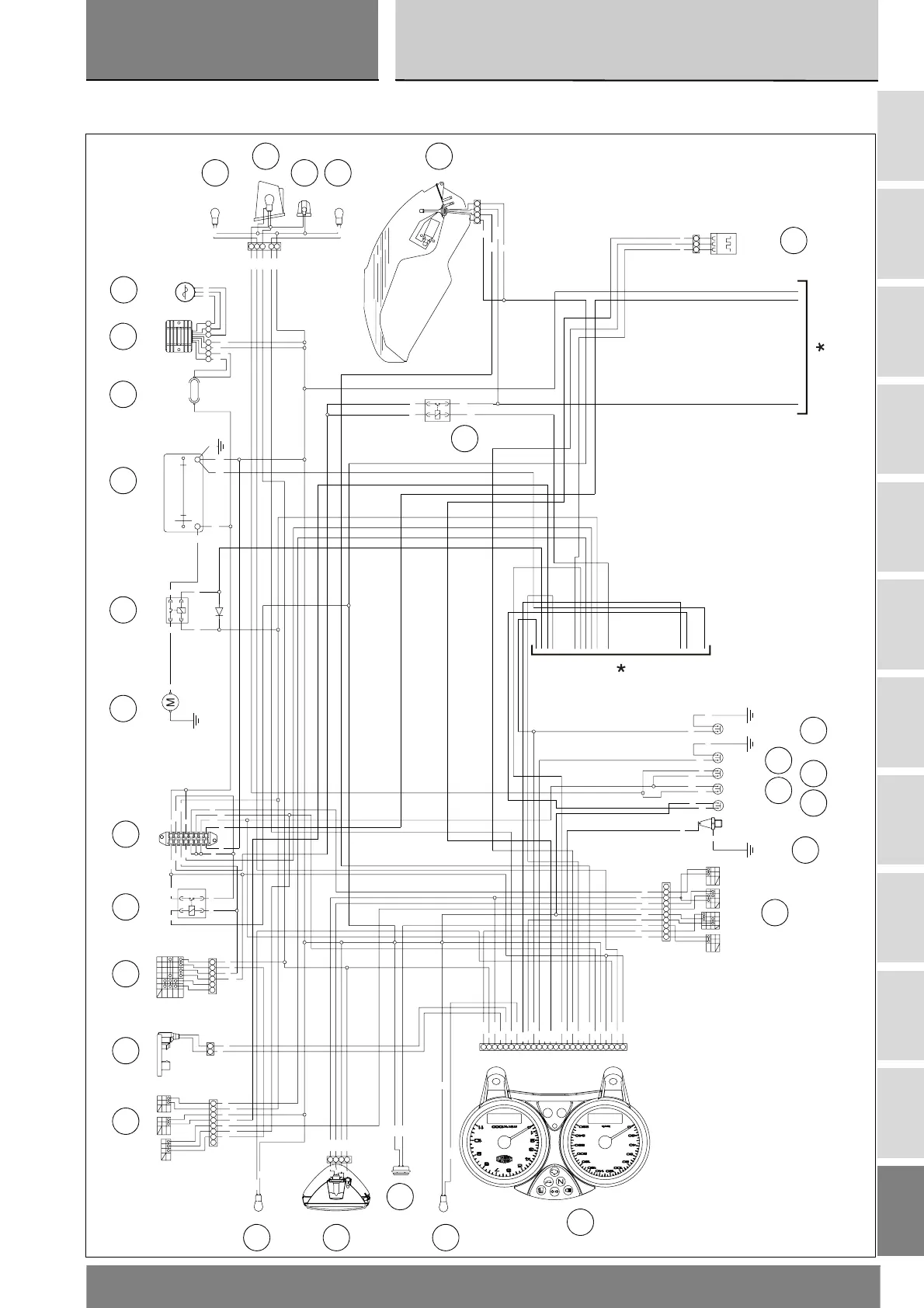
Impianto elettrico
Electric system
sezione / section
P 1
3
A
B
C
D
E
F
G
H
L
M
N
P
Monster 400 - 620 Aggiornamento/Update - M.Y. 2006 - edizione/edition 00
1 - SCHEMA ELETTRICO 1 - WIRING DIAGRAM
5/21 W
5 W
1
2
3
4
5
6
7
8
9
10
11
12
13
14
15
16
17
18
19
20
21
22
23
24
25
26
1
2
3
4
5
6
7
8
9
10
11
12
13
14
15
16
514362
+-
+
-
10 W
10 W
85
86
87
30
10 W
10 W
40A
21
4312
321
3
1
5
2
4
4
3
1
2
BW Bk
FREE
PUSH
RW
OFF
RUN
STARTER
LIGHTING
ENGINE STOP
RBk
HALL
VELOCITA'
Lb
LOCK
GR
ONON
PARK
OFF
WR R GBk Y
BY
Br
OFF
PUSH
GO
N
Gr
L
RY
HI
LO
R
OFF
PUSH
TURN
BkW
BkY
RBk
RBk
HORN
DIMMER PASSING
YYY
R
B/W
Bk
W/G
W/Bk
R/W
O
Y
R/W
Gr/R
Gr/R
Y/G
Bn/W
Bk
W/Y
HI
LO
POS
GND
Bk
Bk
W/Gr
W/Bk
V/Bk Y/B
Y/BkY/RG/BkB/G
VW
Bk
V/Bk
Bk
Y/Bk
W
Bk
Y
Bk
Y/RO
R/Y
R/Bk
Bn
R/B
Y/BV
Bk
BkR
R
R
Bk Bk
Bk
Gr/R
W/G
Y
Bk
P/Bk
Bn
Bn
Bn/W
R/O
V/B
Bn/Bk
R/Bk
V
V
R/G
R/Y
W/G
B/W
Gr/G
O/B
Y/G
W/Bk
R/Y
Y/Bk
B/G
B/Bk
P/Bk
G/Bk
W/Y
O/Bk
Y/B
R/Y
W/G
n.c.
n.c.
R/B
n.c.
B/Y
Gr/G
Y
G
Bk
B/Bk
O/Bk
Bk
Bk Bk
Y/B
B/Bk
R/Y
RR/Y
R/W
R/Bk
R/Bk
R
Y/B
R/Y
Bk
RRR
BK
R/G
R/G
1N4007
K
A
B/W
Bk
R/BBk/V
Bk
Bk/Gr
Vedi "SCHEMA INIZIONE-ACCENSIONE"
nella Sezione "M"
See "IGNITION-INJECTION DIAGRAM"
in Section "M"
*
*
RY RY
RY
ON
11
10
13
14
17
30
18
20
21
22
24
25
26
27
2829
9
8
7
6
5
4
3
2
1
23
14 15
13
19
P

Table of Contents

Related product manuals