EasyManua.ls Logo

DUCH CAM888 - IV System Interface; 4.1 ATP(Automatic positioning the Top dead end Point) Action Timing Diagram; 4.2 ATP(Automatic positioning the Top dead end point) Wiring example; 4.3 ATP Function Guide

DUCH CAM888
9 pages
Print Icon
To Next Page IconTo Next Page
To Next Page IconTo Next Page
To Previous Page IconTo Previous Page
To Previous Page IconTo Previous Page
Loading...
D CH Users Manual
U
IV System Interface
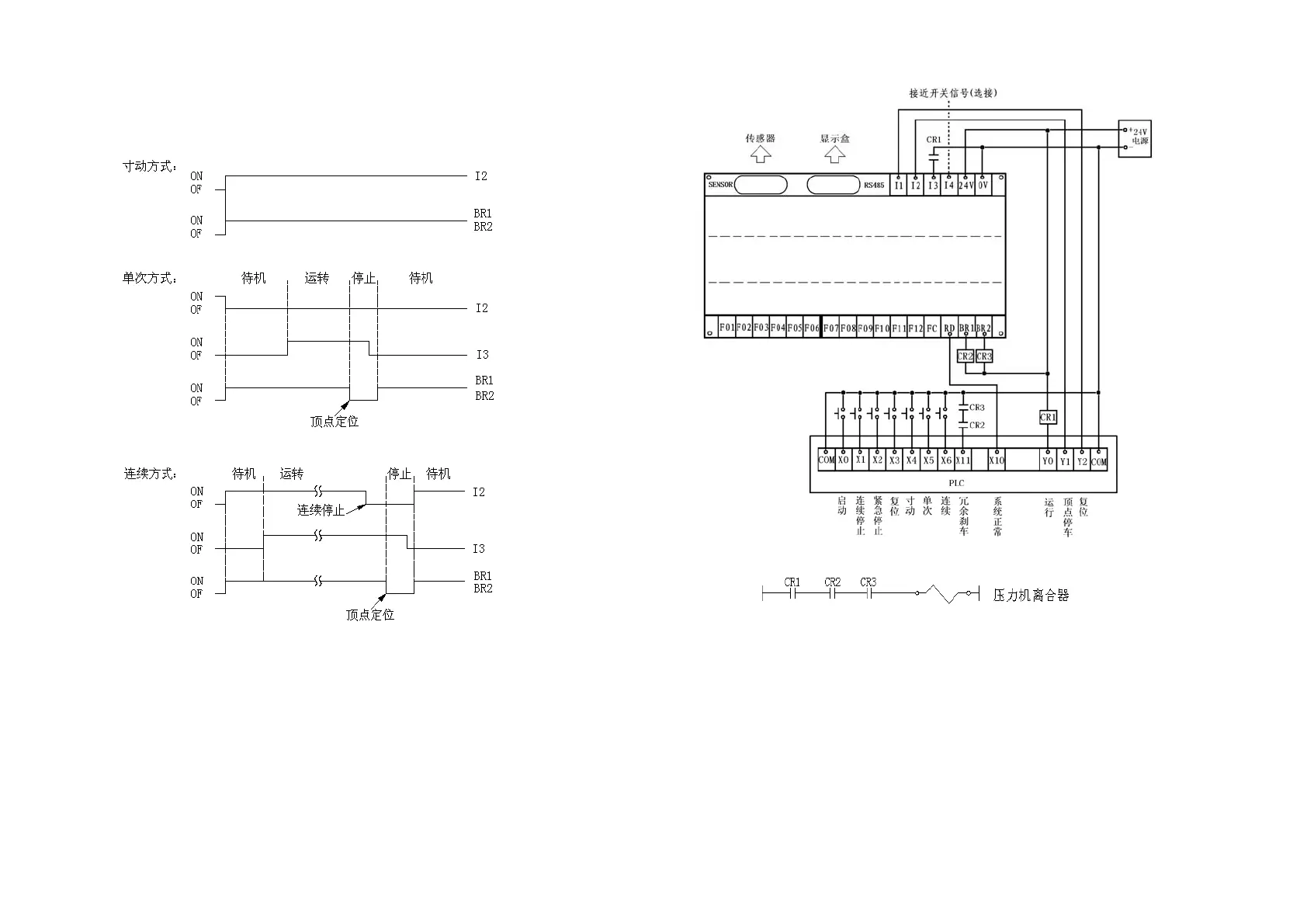
4.1ATP(Automatic positioning the Top dead end Point) Action Timing Diagram
9
4.2ATP(Automatic positioning the Top dead end point) Wiring example:
4.3 ATP (Automatic positioning the Top dead end Point)
ATP Function Guide
a. IN2 ON(Inch----ATP Function DisableOUT2 ON
b. IN2 OFF IN3 ON (Single Mode)
c. IN2 ON=>OFF, IN3 ON(Continues Mode )------
ATP Function EnableATP CAM arriveOUT2 ON=>OFF ,Wait for IN3 OFF
OUT2 OFF=>ON
10