EasyManua.ls Logo

Duke SUB-HF-L - Schematic Diagrams; Tri-Channel; Hot Food

Duke SUB-HF-L
40 pages
Print Icon
To Next Page IconTo Next Page
To Next Page IconTo Next Page
To Previous Page IconTo Previous Page
To Previous Page IconTo Previous Page
Loading...
Service Manual for Subway Front Counters
38
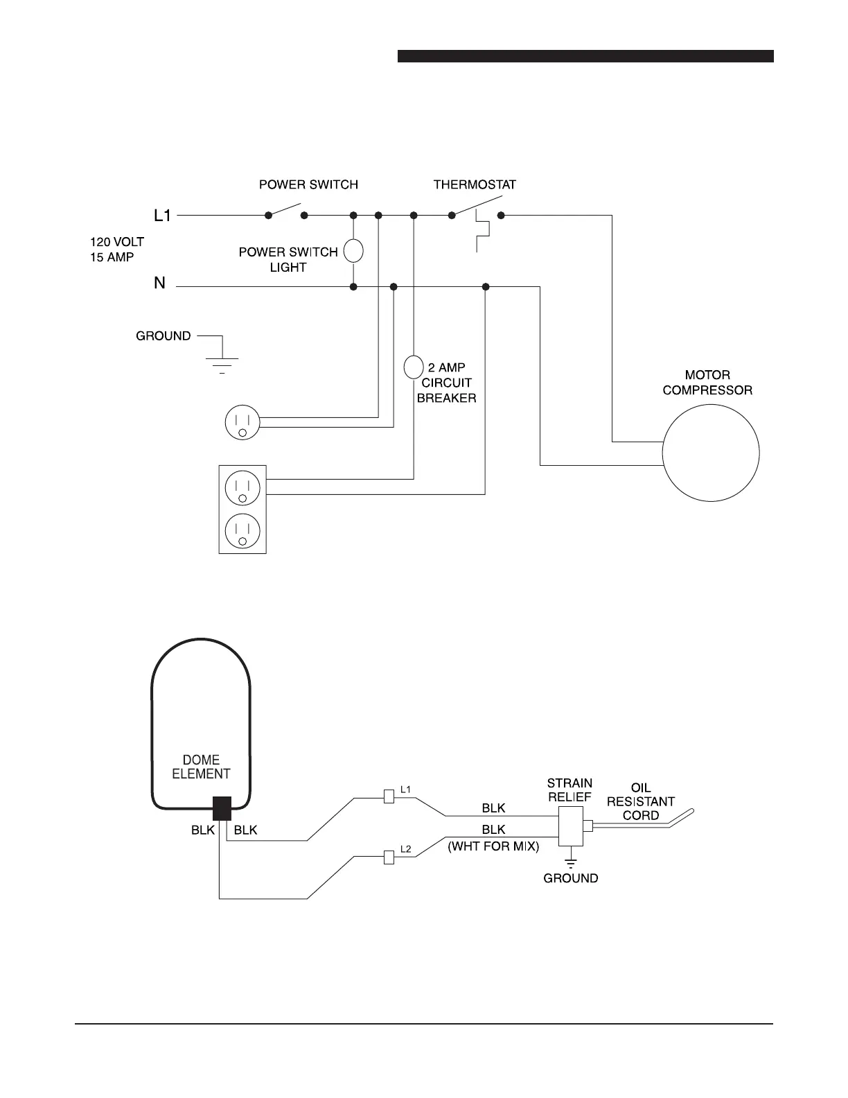
SCHEMATIC DIAGRAMS
TRI CHANNEL
HOT FOOD

Related product manuals