EasyManua.ls Logo

Dunkirk DCB-165 - GENERAL INFORMATION - HYDRONIC PIPING; Manufacturer Requirements;Recommendations

Dunkirk DCB-165
117 pages
Print Icon
To Next Page IconTo Next Page
To Next Page IconTo Next Page
To Previous Page IconTo Previous Page
To Previous Page IconTo Previous Page
Loading...
18
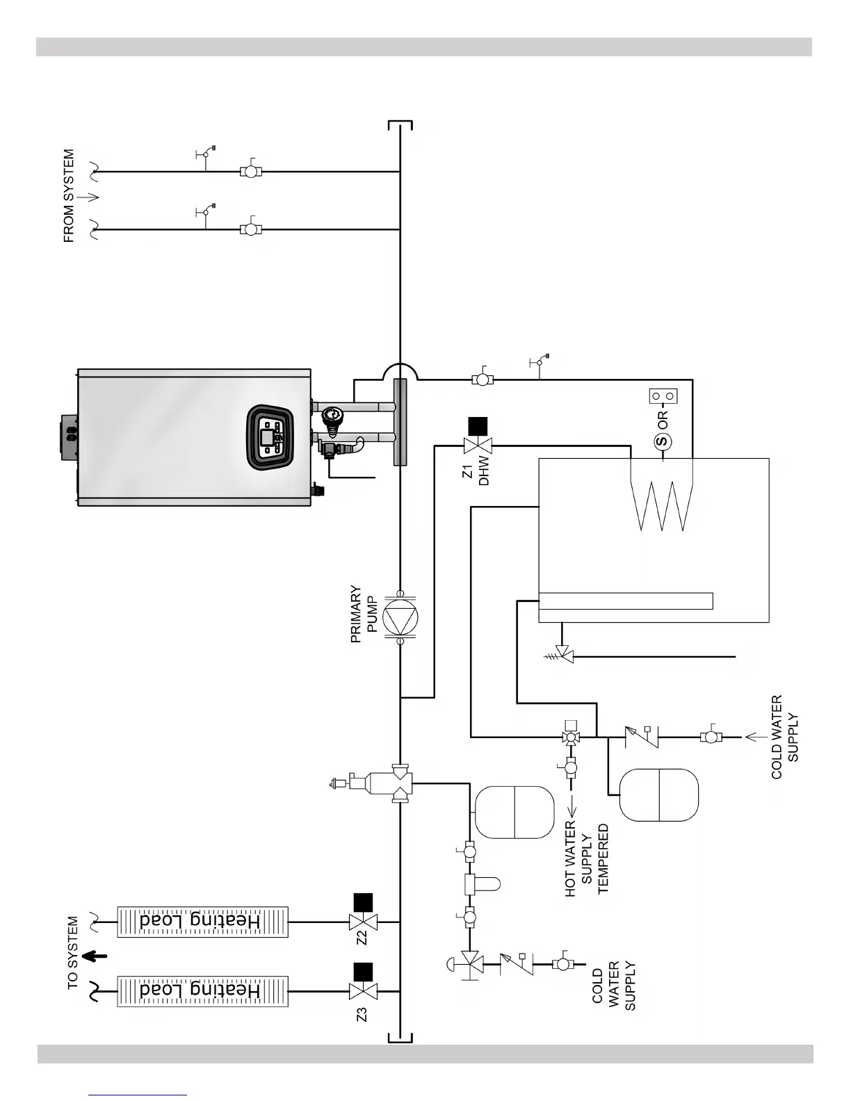
165 with Zone Valves
165 WITH ZONE VALVES - PIPING DIAGRAM
PN 240011430 REV G, [03/31/18]

Table of Contents

Other manuals for Dunkirk DCB-165

Related product manuals