EasyManua.ls Logo

DUROMAX XP9HP - Wiring Diagram

DUROMAX XP9HP
60 pages
Print Icon
To Next Page IconTo Next Page
To Next Page IconTo Next Page
To Previous Page IconTo Previous Page
To Previous Page IconTo Previous Page
Loading...
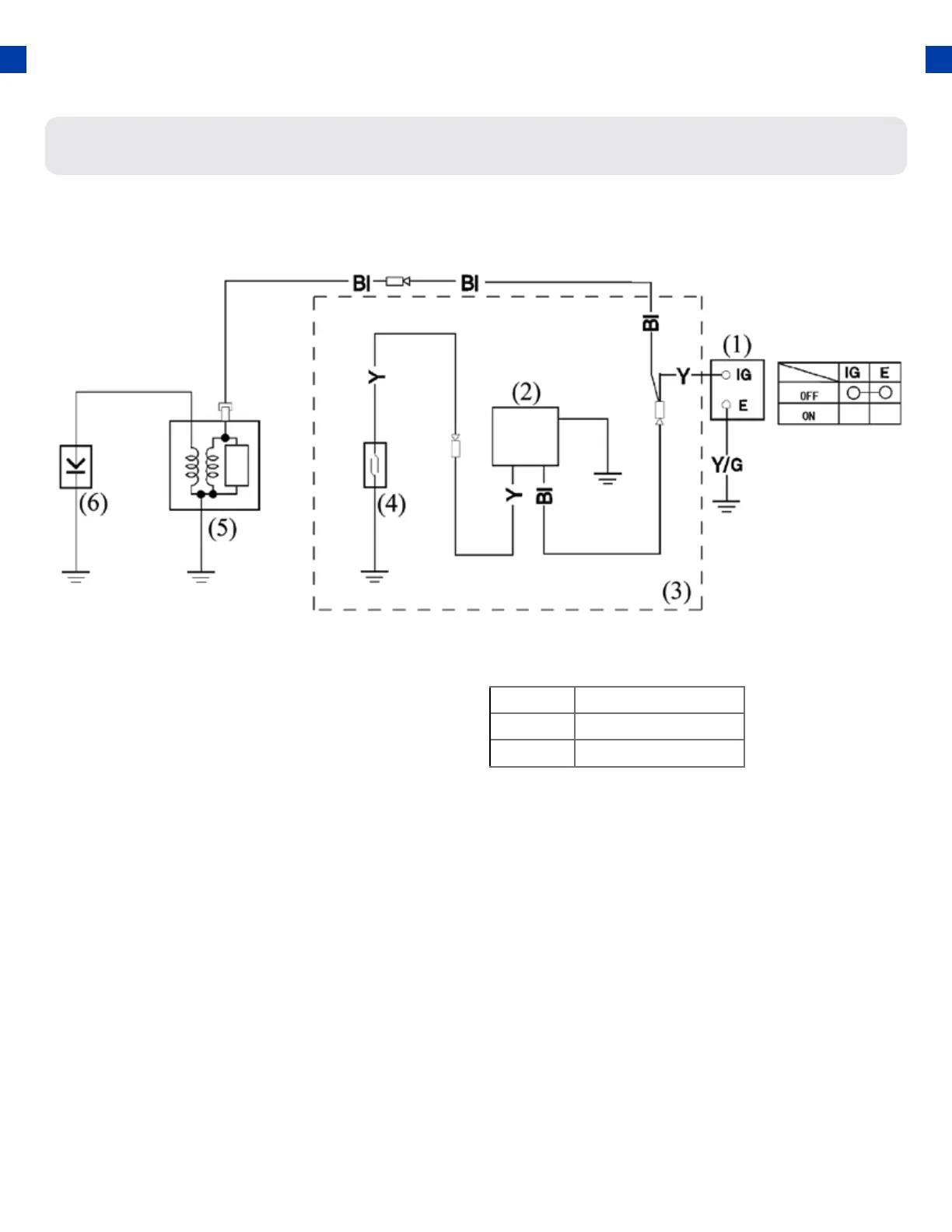
Wiring Diagram
47
1. Engine Switch
2. Oil Alert Unit
3. Type With Oil Alert Unit
4. Oil Level Switch
5. Ignition Coil
6. Spark Plug
Bl Black
Y Yellow
Y/G Yellow/Green
47

Related product manuals