EasyManua.ls Logo

Dyness B3 - System Wiring Diagram and Notes

Dyness B3
29 pages
Print Icon
To Next Page IconTo Next Page
To Next Page IconTo Next Page
To Previous Page IconTo Previous Page
To Previous Page IconTo Previous Page
Loading...
B3 ESS Unit User Manual
©Dyness reserves the copyright of this document.
22
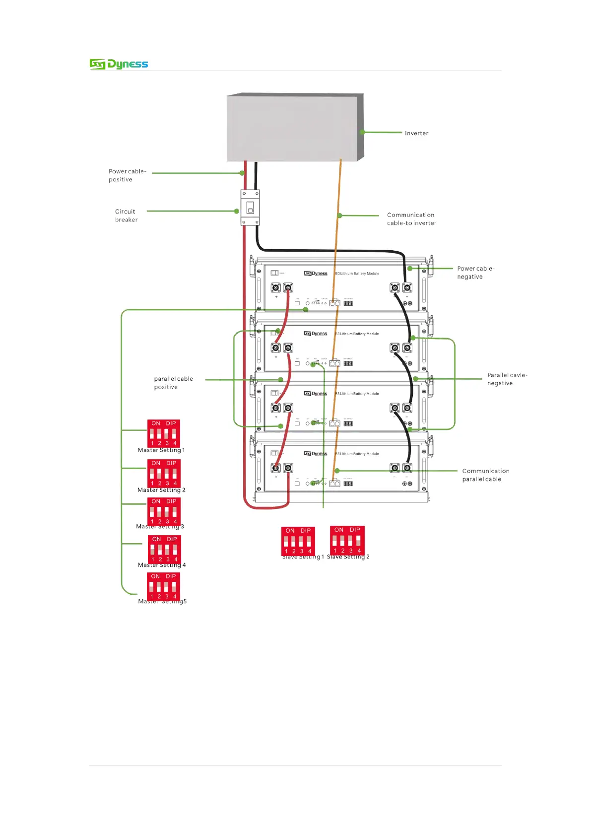
Figure 3-9
Note: 1.After the whole system connection,set the master DIP mode according to the
inverter model firstly,then start the battery.
The BAT-INV comms cable is from inverter comm port to master CAN IN port,BAT-BAT
cable is from master CAN OUT to slave1 CAN IN,slave1 CAN OUT to slave2 CAN IN
Each pair of power cable,it’s limited continuous current is 120A,so if the inverter Max.work
current more than 120A,please add power cable according to the proportion.

Related product manuals