EasyManua.ls Logo

EAE EE62C-35T-E - Page 31

EAE EE62C-35T-E
44 pages
Print Icon
To Next Page IconTo Next Page
To Next Page IconTo Next Page
To Previous Page IconTo Previous Page
To Previous Page IconTo Previous Page
Loading...
Installation, Operation and Parts Manual
EE62C-35T-E / EE62C-42T-E
31
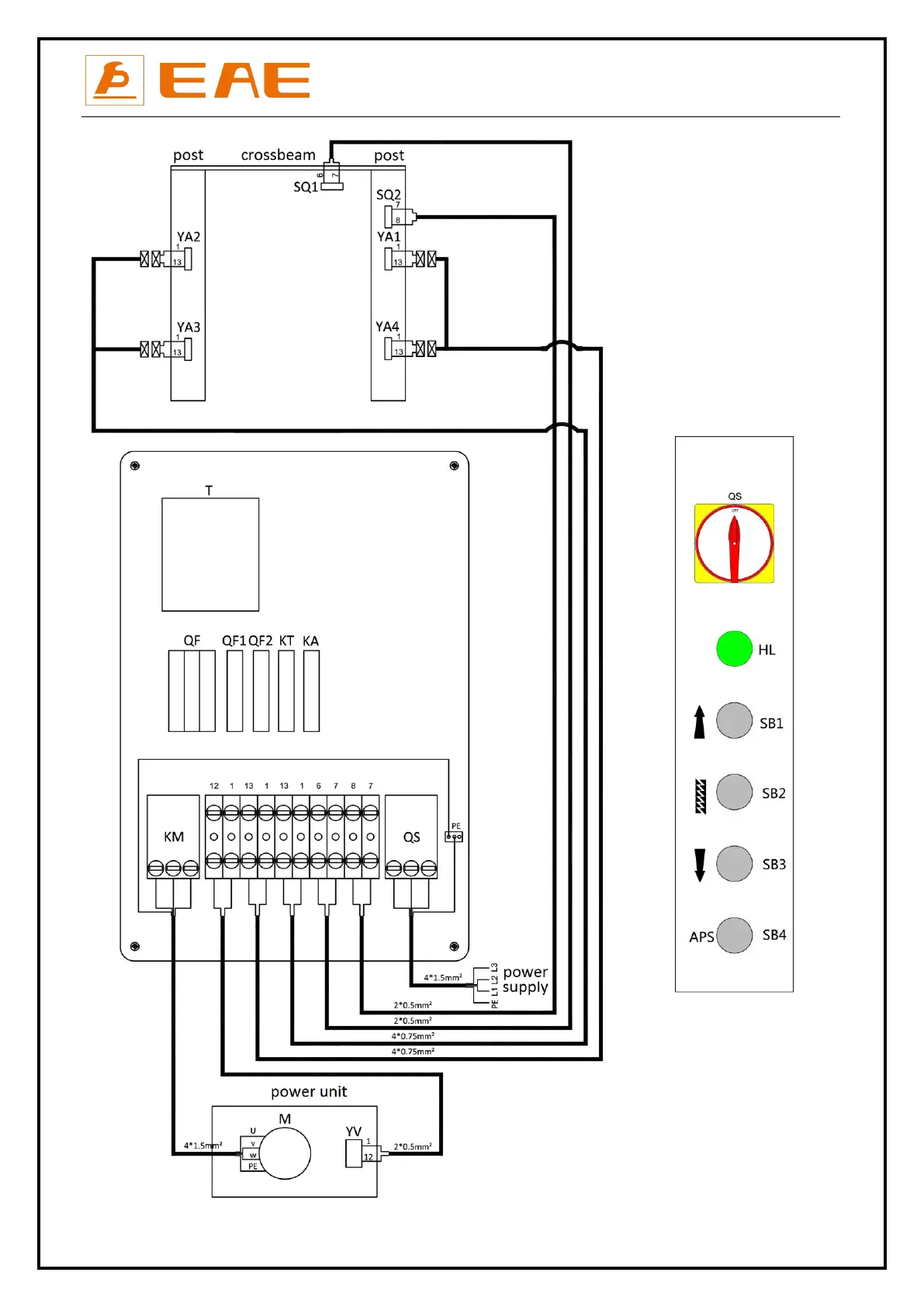
SQ1
Limit switch for roof protection
SQ2: Limit switch for maximum height
YA1-YA4: Electromagnet
YV: Solenoid valve for descending