EasyManua.ls Logo

EAE EE62C-35T-E - Annex 3, Hydraulic Diagrams and Parts List

EAE EE62C-35T-E
44 pages
Print Icon
To Next Page IconTo Next Page
To Next Page IconTo Next Page
To Previous Page IconTo Previous Page
To Previous Page IconTo Previous Page
Loading...
Installation, Operation and Parts Manual
EE62C-35T-E / EE62C-42T-E
33
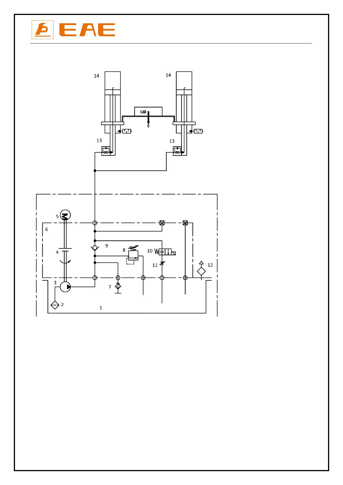
Annex 3, Hydraulic diagrams and parts list
1.oil tank
2.oil sucking filter
3.gear pump
4.coupling
5.motor
6.hydraulic block
7.cushion valve
8.overflow valve
9.single way valve
10.solenoid valve for descending
11.flow control valve
12.tank cover
13.composite connector
14.oil cylinder