EasyManua.ls Logo

Eaglemaster E1 Plus - Page 19

Eaglemaster E1 Plus
21 pages
Print Icon
To Next Page IconTo Next Page
To Next Page IconTo Next Page
To Previous Page IconTo Previous Page
To Previous Page IconTo Previous Page
Loading...
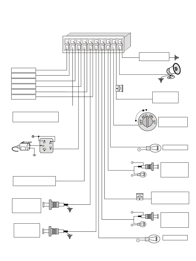
9 8 7 6 5 4 3 2 1
10
20 19 18 17 16 15 14 13 12
11
Connect to (+)
12Volts Battery
Sources
15Amp Fuse
Red (+)
Black(-)
Connect to Chassis
Ground (-)
Connect to Red
from Siren
Brown(+)
(-) Ground
White (+)
White (+)
R- Parking Light
L- Parking Light
White/red (+)
Lights(+)or (-) input , for
the parking lights power
sources
10Amp Fuse
Connect to
Existing Positive
Door Pin Switch
(Ford Type)
Purple(+)
(+) Yellow
Connect (+) 12V
Ignition switch
Central door
lock wiring
Blue/red
Blue
Blue/black
Green/red
Green
Green/black
Blue/white(-)
20pin main port wiring :
Connect to (-)
negative Trunk
pin switch
Unlock N/O
Unlock Com
Unlock N/C
Lock N/O
Lock Com
Lock N/C
Pink(-)
Connect to (-)
negative Hood
pin switch
Green/white(-)
Connect to
Existing Negative
Door Pin Switch
(GM Type)
White/black (-)
Programme feature,
Negative pulsed output
Channel-3 (PROG.)
+12V
Trunk release
solenoid
Gray (-)
Trunk open wiring
Programme feature,
Negative pulsed output
Channel-2(PROG.)
X
Not use

Related product manuals