EasyManua.ls Logo

Eaton Cooper Power CL-6 Series - Page 104

Eaton Cooper Power CL-6 Series
128 pages
To Next Page IconTo Next Page
To Next Page IconTo Next Page
To Previous Page IconTo Previous Page
To Previous Page IconTo Previous Page
Loading...
Control
Logic
Optical
Isolation
Relay
Normally CLOSED
OUTPUT 3
INPUT 4
Normally OPEN
OUTPUT 4
OUTPUT 1
OUTPUT 2
INPUT 1
INPUT 2
INPUT 3
Pin 9
Pin 2
Pin 10
Pin 11
Pin 12
Pin 13
Pin 1
Pin 3
Pin 4
Pin 5
Pin 6
Pin 7
Pin 8
Common
Normally OPEN
Normally OPEN
Normally OPEN
Normally CLOSED
Normally CLOSED
Normally CLOSED
Pin 14
Whetting
Voltage
Motor Fuse
Auto-Off-Manual
Switch in the
Auto/Remote Position
V
Source
120 V from
Internal or External
Single-Row 14-Pin
Connector
1
2
3
4
5
6
7
8
9
10
11
12
13
14
Panel
Power
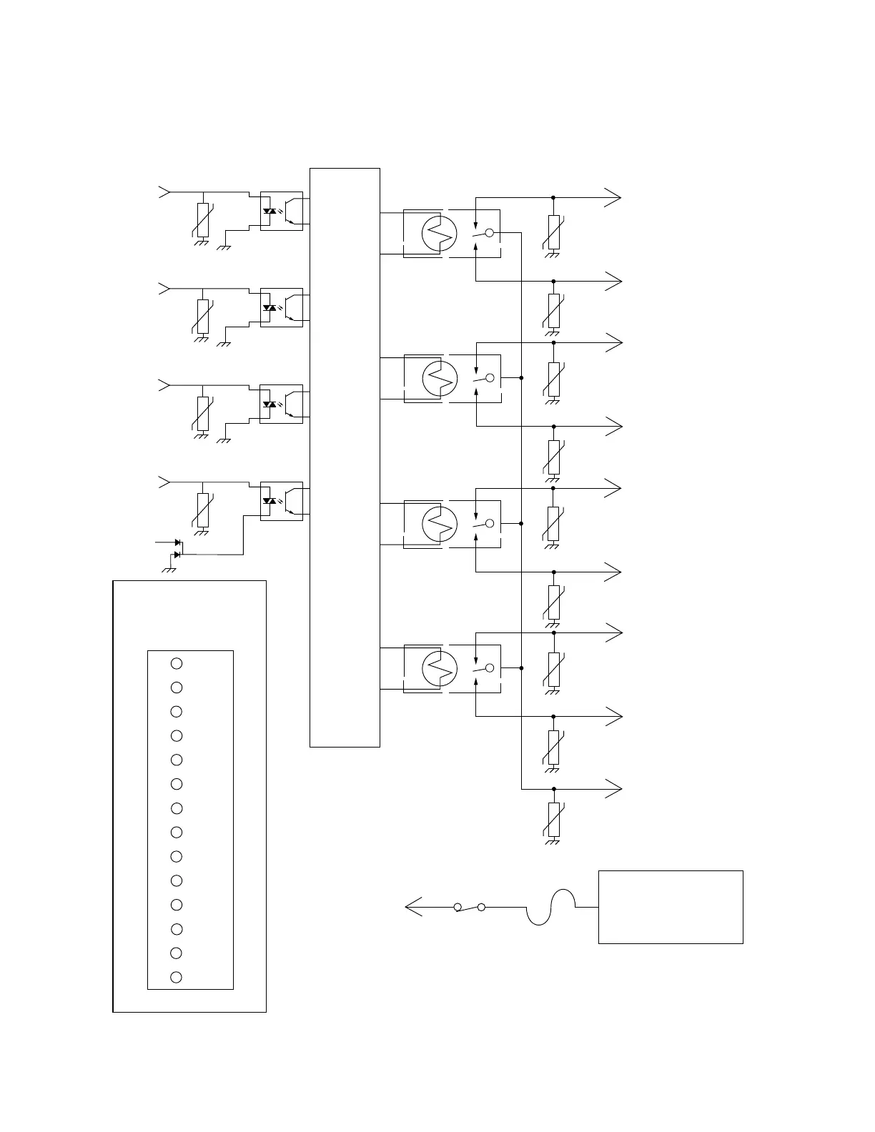
Figure 7-7. Discrete I/O connections.
98
CL-6 SERIES CONTROL INSTALLATION, OPERATION, AND MAINTENANCE INSTRUCTIONS MN225016EN January 2016

Table of Contents

Related product manuals