EasyManua.ls Logo

EBARA A10S - Page 23

EBARA A10S
69 pages
Print Icon
To Next Page IconTo Next Page
To Next Page IconTo Next Page
To Previous Page IconTo Previous Page
To Previous Page IconTo Previous Page
Loading...
(9)
EBARA Corporation
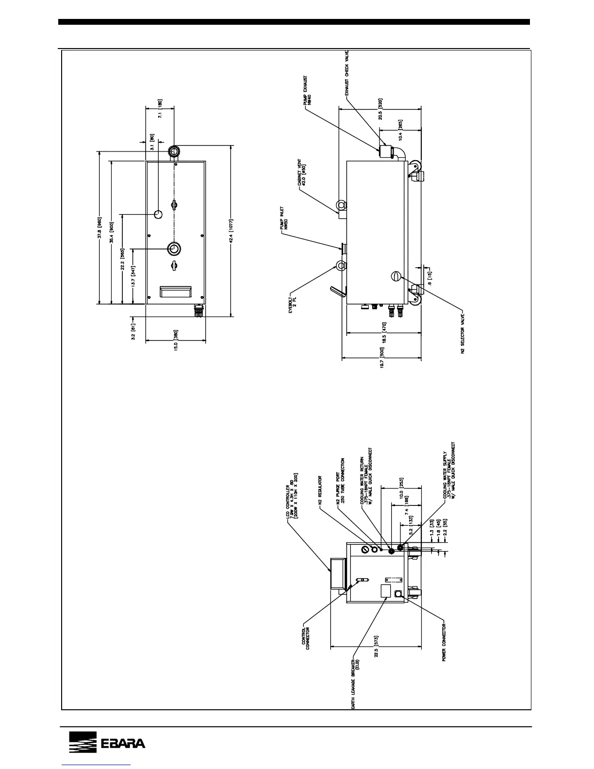
Outline Drawing A25S

Related product manuals