EasyManua.ls Logo

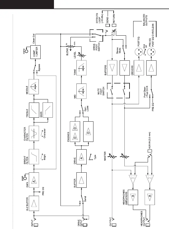
EBS MICROBASS 3 - Block Layout Scheme; Signal Flow Diagram; Effects Loop and Footswitch Integration; Output and Connection Routing

EBS MICROBASS 3
5 pages
Print Icon
To Previous Page IconTo Previous Page
To Previous Page IconTo Previous Page
Loading...
USERS MANUAL
EBS MICROBASS 3
www.ebssweden.com
BLOCK LAYOUT SCHEME - MICRO BASS 3

Related product manuals