EasyManua.ls Logo

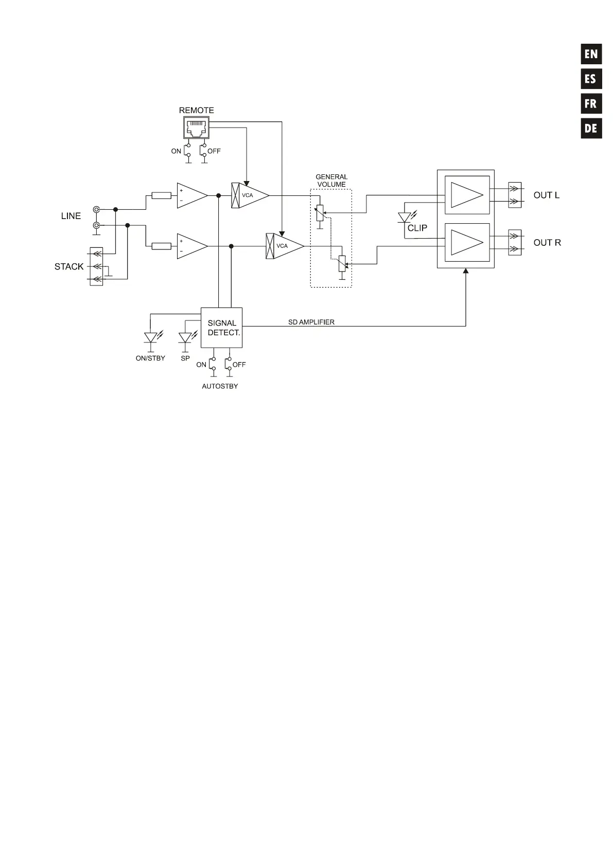
Ecler eCA120 - Blockschaltbild

Ecler eCA120
31 pages
Print Icon
To Next Page IconTo Next Page
To Next Page IconTo Next Page
To Previous Page IconTo Previous Page
To Previous Page IconTo Previous Page
Loading...
30
9. BLOCK DIAGRAM 9. DIAGRAMA DE BLOQUES
9. SCHÉMA FONCTIONNEL 9. BLOCKSCHALTBILD

Table of Contents

Related product manuals