EasyManua.ls Logo

Ecler WPNET Series - 10 Block Diagram; Wpnet4 Kv; Ex; Wpnet8 K

Ecler WPNET Series
37 pages
Print Icon
To Next Page IconTo Next Page
To Next Page IconTo Next Page
To Previous Page IconTo Previous Page
To Previous Page IconTo Previous Page
Loading...
33
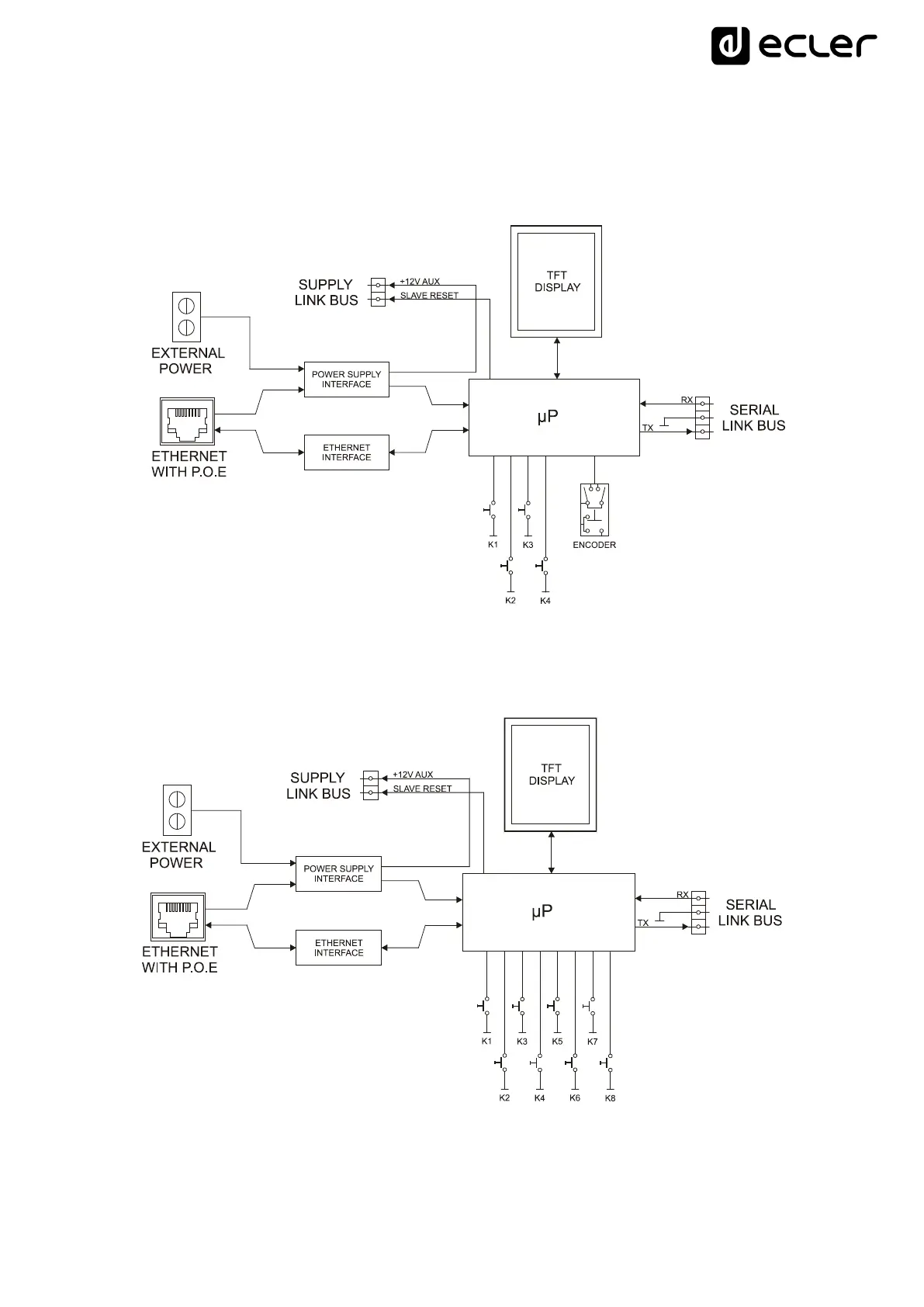
10. BLOCK DIAGRAM
10.1. WPNET4KV / EX
10.2. WPNET8K