EasyManua.ls Logo

Ecoer EAHAEC-60 - Refrigerant Cycle Diagrams

Default Icon
157 pages
Print Icon
To Next Page IconTo Next Page
To Next Page IconTo Next Page
To Previous Page IconTo Previous Page
To Previous Page IconTo Previous Page
Loading...
28/157
SDi Decades Extreme Service Manual www.ecoer.com
May. 2023Manufacturer reserves the right to change specifications or designs without notice.
Model No.
Pipe Size(Diameter:ø)
mm(inch)
Piping length(m/ft)
Elevation(m/ft)
Additional Refrigerant
Gas
Liquid
Rated
Max.
Rated
Max.
36K
19(3/4)
9.52(3/8)
7.5/24.6
65/213
0
30/98.4
65g/m(0.69oz/ft)
60K
22(7/8)
9.52(3/8)
7.5/24.6
65/213
0
30/98.4
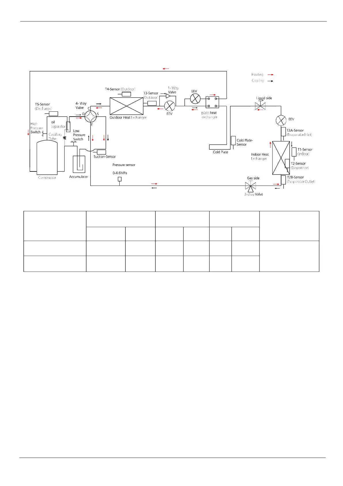
4.5 Refrigerant Cycle Diagrams

Related product manuals