EasyManua.ls Logo

Ecoer EAHAEC-60 - 6. Maintenance; 6.1 First Time Installation Check

Default Icon
157 pages
Print Icon
To Next Page IconTo Next Page
To Next Page IconTo Next Page
To Previous Page IconTo Previous Page
To Previous Page IconTo Previous Page
Loading...
60/157
SDi Decades Extreme Service Manual www.ecoer.com
May. 2023Manufacturer reserves the right to change specifications or designs without notice.
Air and moisture trapped in the refrigerant system affects the performance of the air conditioner by:
Increasing pressure in the system.
Increasing the operating current.
Decreasing the cooling or heating efficiency.
Congesting the capillary tubing due to ice build-up in the refrigerant circuit.
Corroding the refrigerant system.
To prevent air and moisture from affecting the air conditioner’s performance, the indoor unit, as well as the pipes
between the indoor and outdoor unit, must be be leak tested and evacuated.
Leak test (soap water method)
Use a soft brush to apply soapy water or a neutral liquid detergent onto the indoor unit connections and outdoor
unit connections. If there is gas leakage, bubbles will form on the connection.
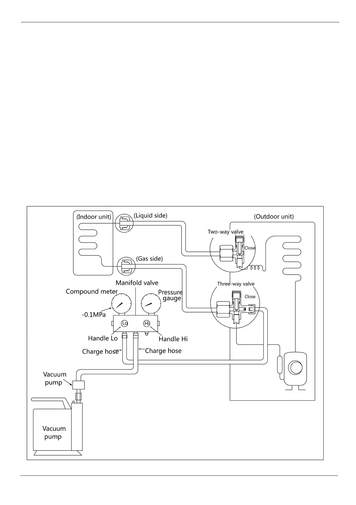
Air purging with vacuum pump
6. Maintenance
6.1 First Time Installation Check

Related product manuals